跳转到主要内容
瑞萨电子 (Renesas Electronics Corporation)

特性

  • 1:5 LVCMOS zero-delay buffer (MPC962305)
  • 1:9 LVCMOS zero-delay buffer (MPC962309)
  • Zero input-output propagation delay
  • Multiple low-skew outputs
  • 250 ps max output-output skew
  • 700 ps max device-device skew
  • Supports a clock I/O frequency range of 10 MHz to 133 MHz, compatible with CPU and PCI bus frequencies
  • Low jitter, 200 ps max cycle-cycle, and compatible with Pentium® based systems
  • Test Mode to bypass PLL (MPC962309 only. See Table 3)
  • 8-pin SOIC or 8-pin TSSOP package (MPC962305)
  • 16-pin SOIC or 16-pin TSSOP package (MPC962309)
  • Single 3.3 V supply
  • Ambient temperature range: –40°C to +85°C
  • Compatible with the CY2305, CY23S05, CY2309, CY23S09
  • Spread spectrum compatible
  • Pb-free packages available

描述

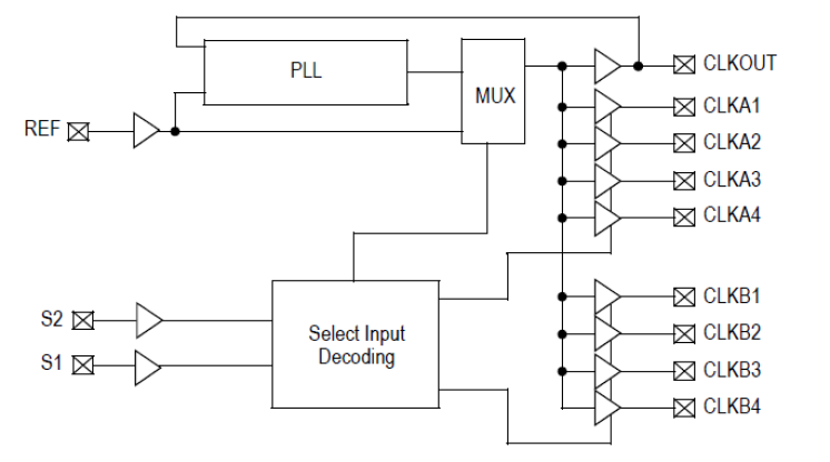
The MPC962309 has two banks of four outputs each, which can be controlled by the Select Inputs as shown in Table 3. Bank B can be tri-stated if all of the outputs are not required. Select inputs also allow the input clock to be directly applied to the outputs for chip and system testing purposes. The MPC962305 and MPC962309 PLLs enters a power down state when there are no rising edges on the REF input. During this state, all of the outputs are in tristate, the PLL is turned off, and there is less than 25.0 ?A of current draw for the device. The PLL shuts down in one additional case as shown in Table 3. Multiple MPC962305 and MPC962309 devices can accept the same input clock and distribute it throughout the system. In this situation, the difference between the output skews of two devices will be less than 700 ps. All outputs have less than 200 ps of cycle-cycle jitter. The input-to-output propagation delay on both devices is guaranteed to be less than 350 ps and the output-to-output skew is guaranteed to be less than 250 ps. The MPC962305 and MPC962309 are available in two/three different configurations, as shown on the ordering information page. The MPC962305-1/MPC962309-1 are the base parts. High drive versions of those devices, MPC962305-1H and MPC962309-1H, are available to provide faster rise and fall times of the base device.

当前筛选条件