跳转到主要内容
瑞萨电子 (Renesas Electronics Corporation)

特性

  • Monolithic motion detector radar
  • Complete UWB radar transceiver
  • Adjustable detection range
    • Minimum range: ~1 foot
    • Maximum range: ~50 feet
  • Low power: ~15mW, typical
  • Sleep mode
  • 75dB gain (max)
  • Minimum Rx signal level: Approximately -120dBm
  • RoHS-compliant, 4mm x 4mm 24-VFQFPN

描述

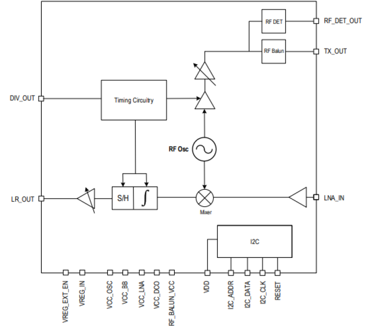
The MS85001 is a highly integrated monolithic ultra-wideband (UWB) motion detector radio-frequency IC (RFIC) that integrates the transmit output amplifier and the full receive path. The transmit power level and the detection range are adjustable.

The radar is a homodyne configuration for simplicity and small size. An integrated RF oscillator provides the carrier frequency for the Tx pulse and the local oscillator (LO) for the receive mixer. The homodyne radar architecture helps to reduce the power consumption. An I²C digital interface is used to communicate and set up the MS85001 for the desired configuration.

当前筛选条件