跳转到主要内容
瑞萨电子 (Renesas Electronics Corporation)

特性

  • 4.5 V 至 8.4 V 单输入电压范围
  • 输出电压由主机 PMIC 控制(P9180A/P9145
  • 每个器件/相位的峰值输出电流高达 6A
  • 2.0MHz 开关频率,内部 PWM 生成
  • 支持自动相位遮蔽、PFM 和 LDO 模式
  • 简单的双线接口,用于与主机 PMIC 交换设备配置、控制和状态信息
  • 通过主机 PMIC 自动检测
  • 无需对 PMIC 进行模拟反馈
  • 热限制警告标志和负载电流监控功能可选
  • 可选自动负载均衡和相间热量重新分配
  • 数字调制和基于 ML 的纠错
  • 工业温度范围:-40°C 至 +85°C
  • 12-ld 3x4 mm DFN (NRG12)

描述

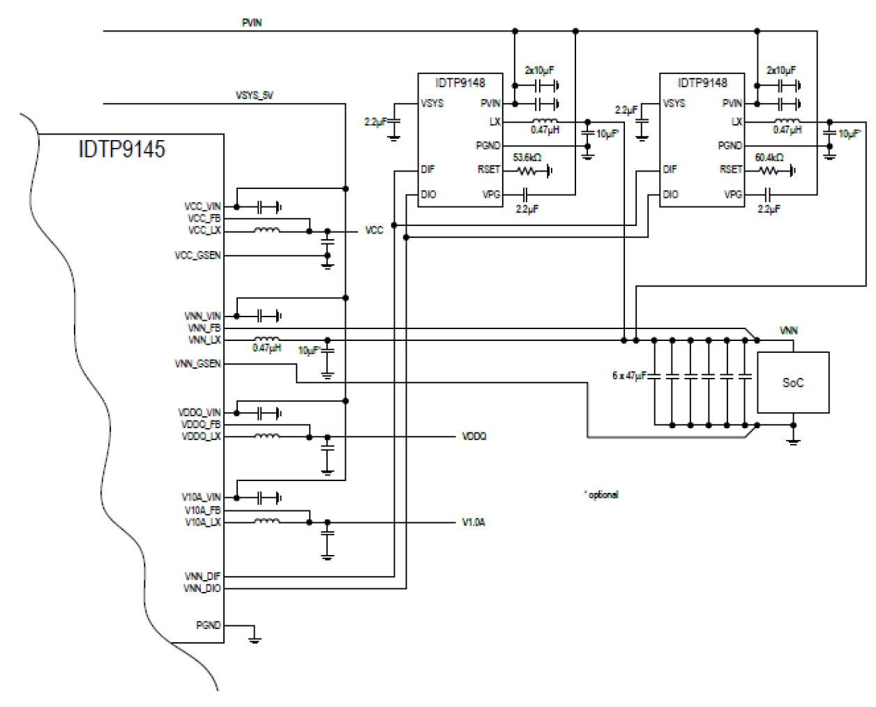
灵活的输出电流功能是具有各种不同偏斜的现代多核 SoC 解决方案的关键。 IDT P9148 分布式电源单元(DPU)作为 P9180A PMICP9145 PMIC 的附加相工作,可增加解决方案的输出电流。 该器件作为受控电流源工作,完全由主机 PMIC 控制。 多个 P9148 设备可并联使用,为负载提供额外电流。 P9180A、P9145 和 P9148 之间的高速专有接口提供控制和反馈信息。 该器件可无缝集成到 PMIC 生态系统中,为用户提供了灵活透明的用户体验。 与 P9147 相比,P9148 专为采用单 5V 电源的系统而设计,并支持更多功能(可选热极限警告标志、负载电流监控器和相间自动负载平衡)。

当前筛选条件