跳转到主要内容
瑞萨电子 (Renesas Electronics Corporation)

特性

  • 7.5W fixed frequency wireless charging for iOS iPhones
  • Up to 10W wireless charging for Android phones
  • WPC-1.2.4 compatible, A11a coil configuration
  • EN303417 CE certification compatible
  • Wide input range: 5V to 19V
  • Feedback control for external input step-down regulator
  • Embedded 32-bit ARM® Cortex®-M0 processor
  • Integrated drivers for external power MOSFETs
  • Integrated current sense amplifier
  • User-programmable Foreign Objects Detection (FOD)
  • Voltage and current demodulation scheme for WPC communication
  • User-programmable power transfer LED indicators
  • Low standby power
  • Dedicated remote temperature sensing
  • Over-current, over-voltage, under-voltage lockout and over-temperature protection
  • I2C interface

描述

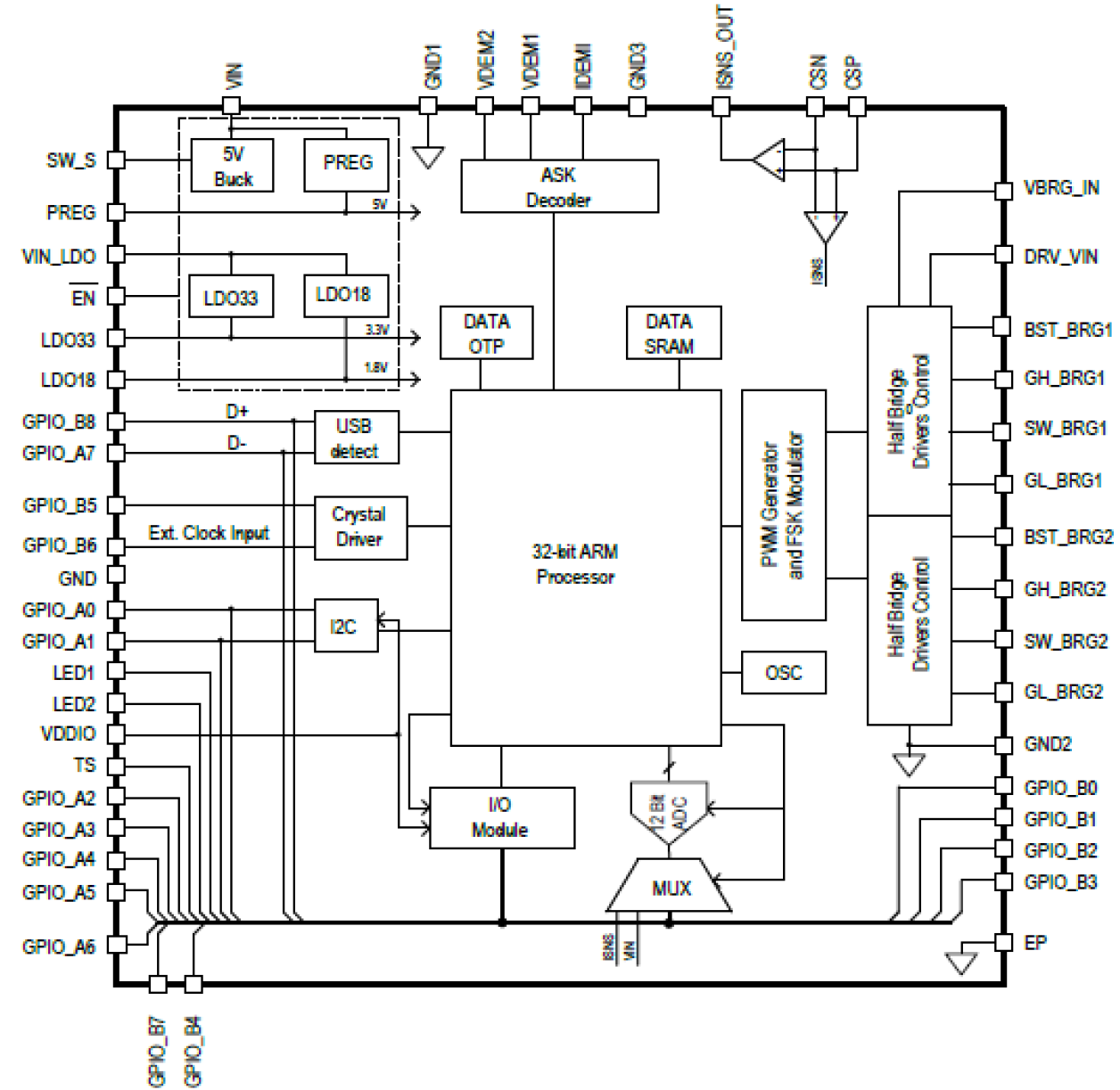
The P9241-G is a highly integrated, magnetic induction wireless power transmitter that supports Wireless Power Consortium (WPC) Qi specification Baseline Power Profile (BPP) and proprietary fast charging modes, including 7.5W for iPhone and up to 10W for Android phones. The P9241-G supports WPC power transmitter design A11a coil configuration.

The P9241-G transmitter generates power through the power coil, detects the presence of a wireless power receiver, decodes the communication packets from the receiver, and adjusts the transmitted power by controlling the voltage based on the feedback from the receiver. The device offers superior Foreign Objects Detection (FOD), which is critical to guarantee a safe operation when transferring power wirelessly.

The P9241-G integrates a 32-bit ARM® Cortex®-M0 processor, offering a high level of programmability with extremely low standby power. Integrated current sense amplifier, full bridge MOSFET drivers and bias regulators reduce the discrete component count and offer a compact solution ideal for mobile applications.

The device is highly configurable with GPIO pins and I2C serial communication channels. Two pre-defined user-programmable LED outputs offer various blinking patterns for user indication. The external step down regulator in the front end of P9241-G design enables wide input voltage range of 5V to 19V. The device also operates at a fixed-frequency, 127.7kHz, to support 7.5W charging for Apple iPhones.

The P9241-G offers a wide range of system protection features, such as over-current, over-voltage, under-voltage lockout, and thermal management to safe guard wireless power systems under fault conditions.

The device is available in a lead-free, space-saving 48-VFQFPN package and rated for a wide operating temperature range of -40ºC to +85ºC.

Pair it with the P9225-R wireless power receiver for a complete wireless charging system solution.

当前筛选条件