跳转到主要内容
瑞萨电子 (Renesas Electronics Corporation)

特性

  • Power transfer up to 15W
  • VIN range: 5V – 19V
  • WPC-1.2 compliant, MP-A5 and MP-A11 Specification
  • Integrated 32-bit ARM® Cortex®-M0 processor
  • Integrated drivers for external power FET's
  • 80% end-to-end efficiency
  • Fixed accurate 127.7kHz frequency
  • Includes industry proprietary fast charge modes
  • Low standby and sleep mode power
  • Integrated step-down switching regulator
  • Simultaneous voltage and current demodulation
  • Pre-defined user-programmable LED pattern
  • Active-LOW enable pin for electrical on/off
  • Supports I²C interface
  • -40° to +85°C ambient operating temperature range
  • P9242-GB with an external flash supports firmware customization
  • 6 × 6 mm, 48-VFQFPN package

描述

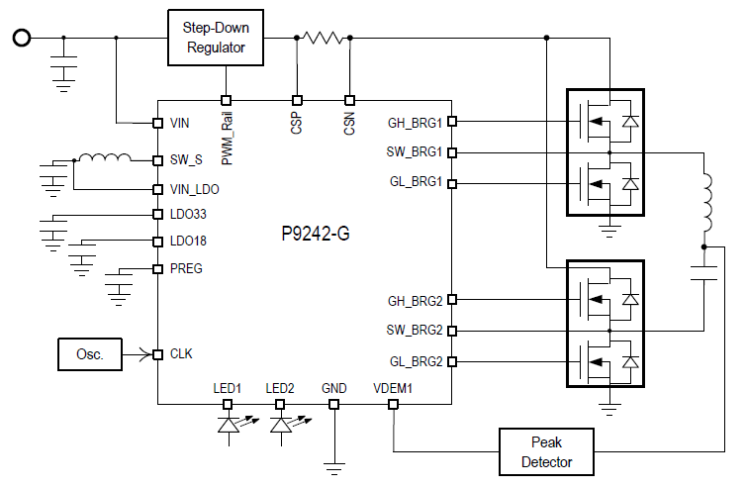
The P9242-G is a highly integrated, magnetic induction, wireless power transmitter that supports up to 15W in compliance with the WPC-1.2 specification or proprietary applications. It is compatible with all popular wireless charging protocols including the WPC Baseline Power Profile (BPP), Extended Power Profile (EPP), up to 7.5W charging for iPhones, and Android proprietary fast charging modes. This system-on-chip solution (SoC) operates with an input voltage range of 5V to 19V.

The P9242-G is specially designed to support fixed-frequency operation as described in the WPC MP-A11 coil configuration with an external input step-down buck regulator. It uses an external oscillator for very accurate 127.7kHz fixed frequency operation. The P9242-G transmitter IC includes an industry-leading 32-bit Arm® Cortex®-M0 processor, offering a high level of programmability.

The P9242-G has a bootloader and application firmware pre-programmed into the internal one-time programmable (OTP) memory. The P9242-GB, which is pin-to-pin compatible with the P9242-G, has only the bootloader pre-programmed into the internal OTP memory and uses external flash for the application firmware so that it can be changed for specific system requirements.

The P9242-G and P9242-GB are available in a lead-free, space-saving 48-VFQFPN package. The product is rated for a -40°C to +85°C operating temperature range.

The P9242-G includes an under-voltage lockout and thermal management circuit to safeguard the device under fault conditions. Together with the P9221-R receiver (RX), the P9242-G forms a complete wireless power system solution.

当前筛选条件