| CAD 模型: | View CAD Model |
| Pkg. Type: | QVSOP |
| Pkg. Code: | DJG48 |
| Lead Count (#): | 48 |
| Pkg. Dimensions (mm): | 9.9 x 3.8 x 1.6 |
| Pitch (mm): | 0.4 |
| Pb (Lead) Free | Yes |
| Moisture Sensitivity Level (MSL) | 1 |
| ECCN (US) | |
| HTS (US) |
| Lead Count (#) | 48 |
| Pb (Lead) Free | Yes |
| Carrier Type | Reel |
| Bus Width (bits) | 20 |
| Core Voltage (V) | 5 |
| Function | Bus Switch |
| Length (mm) | 9.9 |
| MOQ | 2000 |
| Moisture Sensitivity Level (MSL) | 1 |
| On Resistance (Ω) | 28 |
| Package Area (mm²) | 37.6 |
| Pb Free Category | e3 Sn |
| Pitch (mm) | 0.4 |
| Pkg. Dimensions (mm) | 9.9 x 3.8 x 1.6 |
| Pkg. Type | QVSOP |
| Qty. per Carrier (#) | 0 |
| Qty. per Reel (#) | 2000 |
| Reel Size (in) | 13 |
| Requires Terms and Conditions | Does not require acceptance of Terms and Conditions |
| Speed Grade | Standard |
| Tape & Reel | Yes |
| Temp. Range (°C) | -40 to 85°C |
| Thickness (mm) | 1.6 |
| Width (mm) | 3.8 |
| 已发布 | No |
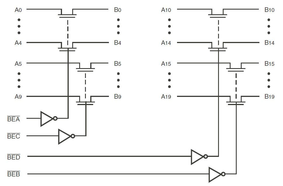
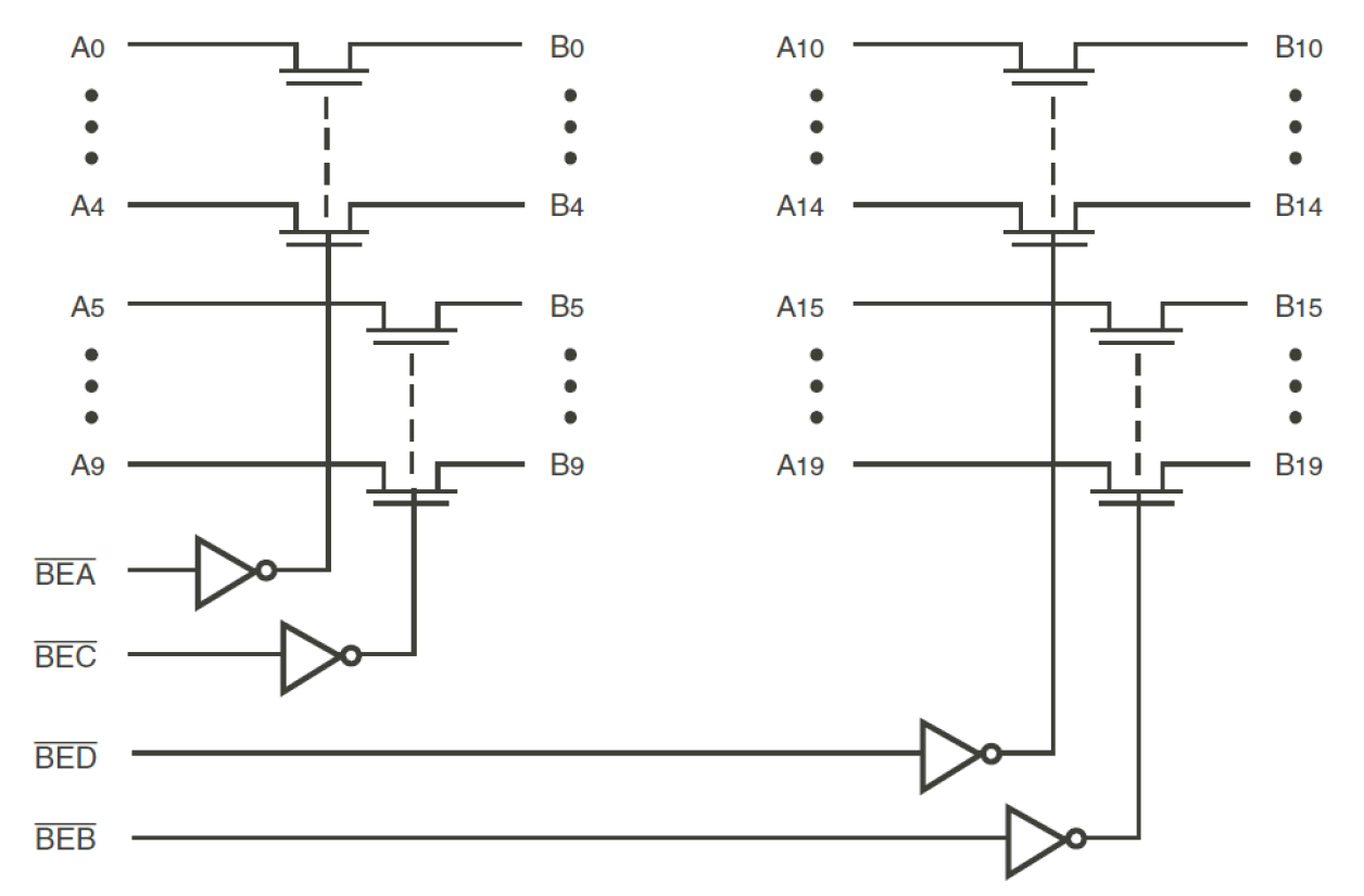
The QS32X2384 provides a set of twenty high-speed CMOS TTL-compatible bus switches. The QS32x2384 also includes internal 25 ohm series termination resistors to reduce reflection noise in high-speed applications. Four Bus Enable signals are provided, one for each of five bits of the 20-bit bus. The QS32X2384 is ideal for switching wide digital buses, as well as hotplug buffering, and 5V to 3V conversion. The QS32X2384 operates at -40C to +85C.