| CAD 模型: | View CAD Model |
| Pkg. Type: | QVSOP |
| Pkg. Code: | DJG48 |
| Lead Count (#): | 48 |
| Pkg. Dimensions (mm): | 9.9 x 3.8 x 1.6 |
| Pitch (mm): | 0.4 |
| Pb (Lead) Free | Yes |
| Moisture Sensitivity Level (MSL) | 1 |
| ECCN (US) | |
| HTS (US) |
| Lead Count (#) | 48 |
| Pb (Lead) Free | Yes |
| Carrier Type | Tube |
| Bus Width (bits) | 20 |
| Core Voltage (V) | 5 |
| Function | Bus Switch |
| Length (mm) | 9.9 |
| MOQ | 343 |
| Moisture Sensitivity Level (MSL) | 1 |
| On Resistance (Ω) | 5 |
| Package Area (mm²) | 37.6 |
| Pb Free Category | e3 Sn |
| Pitch (mm) | 0.4 |
| Pkg. Dimensions (mm) | 9.9 x 3.8 x 1.6 |
| Pkg. Type | QVSOP |
| Qty. per Carrier (#) | 49 |
| Qty. per Reel (#) | 0 |
| Requires Terms and Conditions | Does not require acceptance of Terms and Conditions |
| Speed Grade | Standard |
| Tape & Reel | No |
| Temp. Range (°C) | -40 to 85°C |
| Thickness (mm) | 1.6 |
| Width (mm) | 3.8 |
| 已发布 | No |
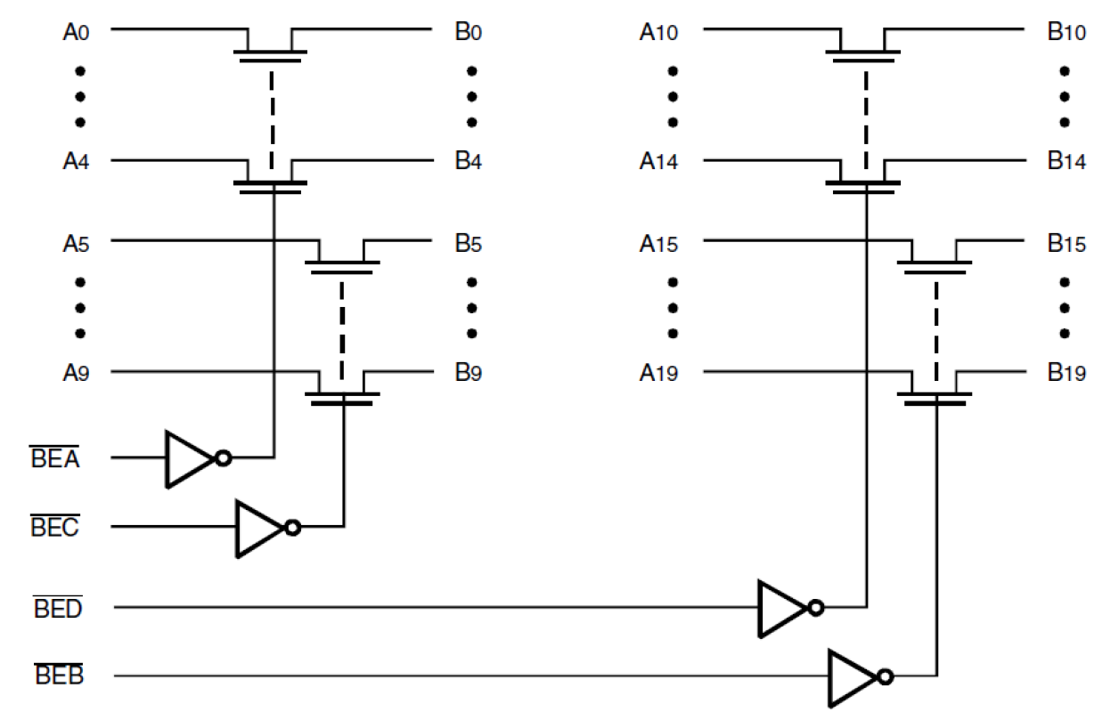
The QS32XL384 provides a set of twenty high-speed CMOS TTL-compatible bus switches. The low ON resistance of the QS32XL384 allows inputs to be connected to outputs without adding propagation delay and without generating additional ground bounce noise. Four Bus Enable signals are provided, one for each of five bits of the 20-bit bus. The QS32XL384 is ideal for switching wide digital buses, as well as hot-docking, 5V to 3V conversion and capacitance isolation for power conservation. The QS32XL384 operates at -40C to +85C.