跳转到主要内容
瑞萨电子 (Renesas Electronics Corporation)

特性

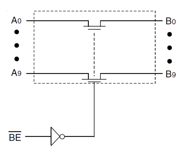
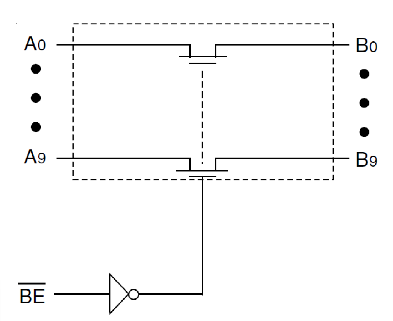
  • Enhanced N-channel FET with no inherent diode to VCC
  • 5Ω bidirectional switches connect inputs to outputs
  • Zero propagation delay, zero ground bounce
  • Undershoot clamp diodes on all switch and control inputs
  • Available in 24-pin QSOP and TSSOP packages

描述

The QS3861 provides a set of 10 high-speed CMOS TTL-compatible bus switches. The low ON-resistance (5Ω) of the QS3861 allows inputs to be connected without adding propagation delay and without generating additional ground bounce noise. The Bus Enable (BE) signal turns the switches on. The QS3861 operates at -40 °C to +85 °C.

产品参数

属性
FunctionBus Switch (Flow-through)
Pkg. CodePCG24, PGG24
Temp. Range (°C)-40 to 85°C
Bus Width (bits)10
Core Voltage (V)5
On Resistance (Ω)5
Speed GradeStandard

封装选项

Pkg. TypePkg. Dimensions (mm)Lead Count (#)Pitch (mm)
QSOP8.7 x 3.8 x 1.47240.64
TSSOP7.8 x 4.4 x 1.0240.65

应用

  • Hot-swapping, hot-docking
  • Voltage translation (5V to 3.3V)
  • Power conservation
  • Capacitance reduction and isolation
  • Bus isolation
  • Clock gating

当前筛选条件