特性
- 76-81GHz
- 4Tx, 4RX channels for up to 16 MIMO channels
- Direct output of range to obstacles with on-board range FFT engine
- Small, easy-to-integrate eWBL package
- Cascading possibility for higher channel count, higher radar resolution
- High output power for longer range, 13dBm/channel, 19dBm total
- Low noise figure
- Low phase noise
- Fast chirp and high chirp linearity
- Low power consumption
- Fast ADC sampling up to 112.5MSPS
- 4 lane MIPI-CSI2 interface for up to 14.4Gbps output
描述
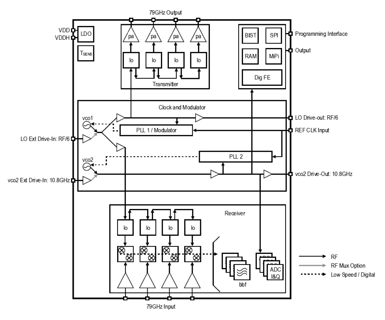
The RAA270205 is a mmWave radar transceiver for automotive ADAS/AD with 4TX/4RX channels and on-board range-FFT engine. The first in its family, the RAA270205 is a high-performance, 28nm RFCMOS radar transceiver. Equipped with 4Tx and 4Rx channels, the RAA270205 supports up to 16 MIMO channels for high angular accuracy. This transceiver can cover frequency bands reserved for long-, mid-, and short-range millimeter-wave radar, as well as imaging radar, with the highest possible range resolution.
应用
- Automotive / ADAS / Autonomous driving
- Automotive radar modules, especially imaging and forward-looking radar (long-range radar)
当前筛选条件
加载中
     
 
 
 
 
 
 
