跳转到主要内容

特性

  • 1.8V/2.5V/3.3V 灵活工作电压
  • 标准的 150fs RMS 12kHz-20MHz 相位抖动
  • 具有集成震荡晶体 5/8/12 路输出的选项
  • 1kHz-650MHz LVDS/LP-HCSL 输出
  • 1kHz-200MHz LVCMOS 输出
  • 可编程硬件配置选择引脚
  • 符合 PCIe Gen 5/6/7 标准
  • 节省空间的封装 4mm x 4mm、5mm x 5mm、6mm x 6mm
  • 集成震荡晶体进而节省空间并实现 BOM 优化

描述

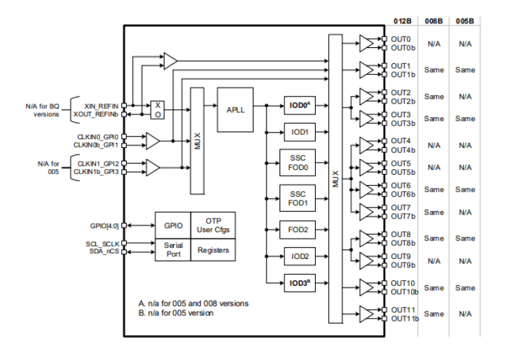
RC21xxxA(RC21012A 和 RC21008A)属于瑞萨电子的 VersaClock® 7 可编程时钟发生器系列。它适用于高性能计算、数据通信和工业应用,时钟晶片需紧靠 PHY、Switch、ASIC 或 FPGA以符合主晶片对抖动性能的要求,这些应用都需要具有 150fs 标准 RMS 抖动性能的参考时钟。

多达 27 种配置可在多种设计中重复使用,可储存在晶片上一次性可编程 (OTP) 储存器或外部 I2C EEPROM 中。也可以支持备用输入时钟,在需要时用作参考时钟。

产品参数

属性
App Jitter Compliance PCIe Gen1, PCIe Gen2, PCIe Gen3, PCIe Gen4, PCIe Gen5, PCIe Gen6, PCIe Gen7
Outputs (#) 16, 24
Output Type LVDS, LP-HCSL, LVCMOS
Output Freq Range (MHz) 0.001 - 650
Input Freq (MHz) 1 - 650
Inputs (#) 2
Input Type Crystal, LVDS, LP-HCSL, LVCMOS, LVDS, LP-HCSL, LVCMOS
Output Banks (#) 6
Core Voltage (V) 1.8, 2.5, 3.3
Output Voltage (V) 1.8, 2.5, 3.3
Phase Jitter Typ RMS (ps) 0.15
Prog. Interface OTP, I2C, SPI, SMBUS, EEPROM
Spread Spectrum Yes

封装选项

Pkg. Type Pkg. Dimensions (mm) Lead Count (#) Pitch (mm)
LGA 4.0 x 4.0 x 1.0 32 0.4
LGA 5.0 x 5.0 x 1.7 40 0.4
LGA 6.0 x 6.0 x 0.9 48 0.4
VFQFPN 5.0 x 5.0 x 0.9 40 0.4
VFQFPN 6.0 x 6.0 x 0.9 48 0.4

应用方框图

Reconfigurable High-Performance Clocking System​ Block Diagram
可重新配置的高性能时钟系统
可重新配置的时钟系统可实现精确同步、实时适应性和设计重用。
Power & Timing System for AI Accelerator Card Block Diagram
AI 加速卡电源和时钟系统

其他应用

  • 高性能计算
  • 数据中心加速器
  • 交换机/路由器
  • 同步以太网
  • 工业
此为出厂可配置设备。试用自定义部件配置工具

当前筛选条件

Learn more about how to configure the VersaClock®7 evaluation board using the supporting RICBox software. VersaClock®7 devices achieve any frequency-in, any frequency-out for high speed SerDes used in switches routers, accelerator cards, and server applications.