跳转到主要内容
瑞萨电子 (Renesas Electronics Corporation)

特性

  • Differential linear gain: 250Ω to 6,000Ω
  • 24GHz 3dB bandwidth for covering 33Gbaud operation
  • 0.5W (max.) power consumption
  • Low noise <18pA/√Hz and THD <3% for 450mVppd output
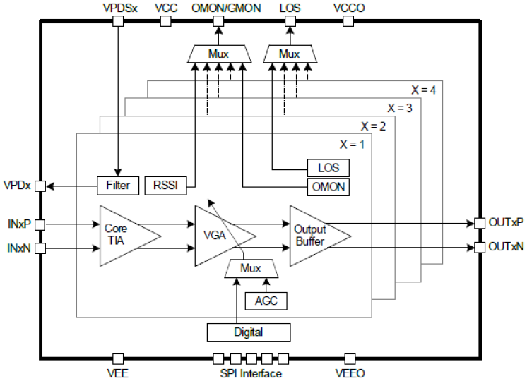
  • Automatic and manual gain control mode, output amplitude programming, output signal monitoring, RSSI, loss of signal monitoring, and shutdown functionalities
  • SPI digital interface integration
  • Covering industrial temperature operation
  • Die with solder bumps for flip-chip assembly

描述

The RG8G32423 is a 32Gbaud, low-power, quad-channel linear transimpedance amplifier (TIA) that is designed for 100Gbps DP-QPSK coherent pluggable module applications.

The RG8G32423 has integrated quad lanes of TIAs for XI, XQ, YI, and YQ channels, as well as serial peripheral interface (SPI) circuitry for DC controls on a single die. The TIA electrical characteristics, functions, and physical dimensions are designed for small form factor (SFF) integrated optical subassembly modules.

The RG8G32423 is delivered as die formed with solder bumps for the flip-chip assembly.

产品参数

属性
FunctionLinear TIA
Data Rate Max (Gbps)32
Channels (#)4

封装选项

Pkg. Type
WAFER

应用

  • 100Gbps DP-QPSK coherent pluggable module applications

当前筛选条件