跳转到主要内容
瑞萨电子 (Renesas Electronics Corporation)

特性

  • >24GHz bandwidth for covering 33Gbaud limiting mode operation
  • 0.8W (max.) power consumption for 2.7Vppd typ. output voltage swing
  • AC-coupled 100Ω differential input
  • Open-collector configuration output stage that can drive DC-coupled 100Ω differential impedance
  • Digital control and analog monitoring
  • Temperature sensor and peak detector
  • 1.8V logic SPI digital interface integration
  • Covering industrial temperature operation
  • Die with Solder bumps for flip-chip assembly

描述

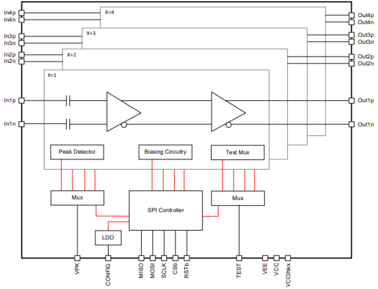
The RG8G72475 is a 32Gbaud low-power quad-channel limiting driver amplifier that is designed for 100Gbps DP-QPSK coherent pluggable module applications.

The RG8G72475 integrates the quad lanes of the driver with SPI circuitry for DC controls on a single die. Each channel of the driver has a 100Ω differential AC-coupled input and 100Ω differential interface with an open-collector type output stage. The driver is designed with industrial temperature definition and provides the limiting output voltage of 2.7Vppd, which is suitable for driving InP-based and silicon photonics-based modulators.

The RG8G72475 is delivered as a die formed with solder bumps for the flip-chip assembly.

产品参数

属性
FunctionLimiting Driver
Data Rate Max (Gbps)32
Channels (#)4
Output TypeDifferential
Output Voltage (V)2.7

封装选项

Pkg. Type
WAFER

应用

  • 100Gbps DP-QPSK coherent pluggable module applications

当前筛选条件