| CAD 模型: | View CAD Model |
| Pkg. Type: | TQFN |
| Pkg. Code: | L2F |
| Lead Count (#): | 32 |
| Pkg. Dimensions (mm): | 3.99 x 3.99 x 0.70 |
| Pitch (mm): | 0.4 |
| Moisture Sensitivity Level (MSL) | 3 |
| Pb (Lead) Free | Yes |
| ECCN (US) | |
| HTS (US) |
| Pkg. Type | TQFN |
| Lead Count (#) | 32 |
| Carrier Type | Reel |
| Moisture Sensitivity Level (MSL) | 3 |
| Pb (Lead) Free | Yes |
| Pb Free Category | Pb-Free 100% Matte Tin Plate w/Anneal-e3 |
| Temp. Range (°C) | -10 to +100°C |
| Automatic Power Source Selection | Yes |
| Automatic Trickle Charge (Typical) | Set by User |
| Battery Charge Voltage | 2-4 cell battery |
| Battery Charge Voltage Adjustment | 8mV steps |
| Battery Chemistry | Multi-Cell Li+/Polymer |
| Battery Leakage Current (Max) | 24µA, Battery only, BGATE on, PSYS OFF, BMON OFF, VBAT = 16.8V, DCIN current comes from battery, IBAT = IVBAT + ICSOP + ICSON + IDCIN + IVSYS |
| Bi-direction | Yes |
| Charge Current Limit Accuracy | ±2.5 (6A) |
| Charging Voltage Accuracy (Max) (±%) | 0.5 |
| Country of Assembly | TAIWAN |
| Country of Wafer Fabrication | TAIWAN |
| DC Adapter Detection | Yes |
| Input Current Limit Accuracy (% (±)) | 2 |
| Input Voltage (Max) (V) | 23.4 |
| Input Voltage (Min) (V) | 3.2 |
| Input Voltage Range (V) | 3.9 - 23.4 |
| Length (mm) | 4 |
| MOQ | 6000 |
| Output Voltage (Max) (V) | 18.304 |
| Output Voltage (Min) (V) | 2.4 |
| Parametric Category | Battery Charger ICs |
| Pitch (mm) | 0.4 |
| Pkg. Dimensions (mm) | 4.0 x 4.0 x 0.70 |
| Product Type | Battery Charger |
| Qualification Level | Standard |
| Switching Frequency Range (Typical) (kHz) | 635 - 1000 |
| Thickness (mm) | 0.7 |
| Topology Characteristic | R3 modulator |
| Topology [Rail 1] | Buck-Boost |
| Trickle Charge Current Range | 64mA, 128mA, 256mA, or 512mA |
| Width (mm) | 4 |
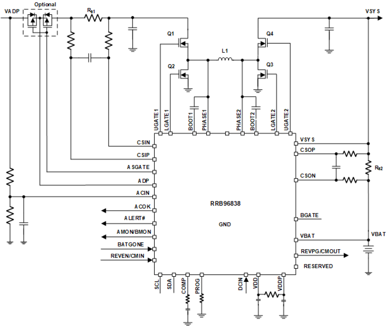
RRB96838 是一款升降压电池充电器,支持高达 23.4V 的输入电压和高达 18.3V 的电池电压。 设备可以在不使用battery FET 的直接电池充电模式下工作,也可以在使用battery FET 的窄电压直流 (NVDC) 充电模式下工作。 采用先进的 Renesas R3™ 技术,可确保高效的轻负载运行和快速的瞬态响应。
对于直接电池充电,RRB96838 支持 2 节至 4 节电池,是电动工具、便携式真空吸尘器、无人机、机器人和移动电源等应用的理想之选。 作为 NVDC 充电器,设备还可将系统输出调节到较窄的电压范围,从而确保稳定的系统总线电压。 在 NVDC 工作模式下,系统电源可以来自适配器、电池或两者的组合。
RRB96838 兼容多种直流电源,包括 USB Type-C® 和 USB 供电 (PD) 适配器,并能安全地为多达四个串行连接的锂离子电池组充电。 此外还支持反向降压、升压,以及升降压运行,实现了从电池到输入端口的功率传输。 另外,RRB96838 还具有 SMBus 和 I2C 串行通信功能,允许对关键参数进行编程,以实现完全定制的解决方案。