NEW
| CAD 模型: | View CAD Model |
| Pkg. Type: | QFN8x8 |
| Pkg. Code: | |
| Lead Count (#): | 22 |
| Pkg. Dimensions (mm): | 8 x 8 x 0.85 |
| Pitch (mm): |
| Moisture Sensitivity Level (MSL) | 3 |
| HTS (US) | 8542.39.0090 |
| RoHS (RRW22105-153) | 英语日文 |
| Pb (Lead) Free | |
| ECCN (US) |
| Lead Count (#) | 22 |
| Carrier Type | Tape & Reel |
| Moisture Sensitivity Level (MSL) | 3 |
| Control Mode | Peak Current Mode DCM/CCM |
| Switching Frequency (KHz) | 70 - 270 |
| VBIAS (Max) (V) | 42 |
| Temp. Range (°C) | -40 to +150°C |
| Advanced Features | SuperGaN Integrated |
| Application | Industrial Power, Appliances & White Goods, Network Power, Server Aux Power, PoE, TV Power, Isolated Power for Gate Drivers, Motor |
| Controller / Integrated | Integrated |
| Country of Assembly | TAIWAN, MALAYSIA |
| Country of Wafer Fabrication | Die1:KR, Die2:JP, Die3:TW |
| Function | SSR Flyback |
| Key Features | Compatible with 3rd Party Secondary Feedback and TL433 |
| Length (mm) | 8 |
| MOQ | 4000 |
| No-Load Operating Current | 0.7 |
| Output Power Max (W) | 45 |
| Output Voltage (Max) (V) | 24 |
| Outputs (Max) (#) | 3 |
| PWMs (#) | 1 |
| Parametric Category | Flyback & Forward Controllers |
| Pass Device | |
| Phases (Max) | Flyback & Forward Controllers |
| Pkg. Dimensions (mm) | 8 x 8 x 0.85 |
| Pkg. Type | QFN8x8 |
| Product Category | Flyback & Forward Controllers |
| Protection Features | Brown-out, OTP, UVLO, Output OVP, OCP |
| Qualification Level | Standard |
| Quality Level | Standard |
| Simulation Model Available | No |
| Supply Voltage (max) (V) | 45 - 45 |
| Thickness (mm) | 0.85 |
| Topology Characteristic | PWM/PFM Flyback |
| UVLO Falling (V) | 7.5 |
| UVLO Rising (V) | 15.3 |
| Width (mm) | 8 |
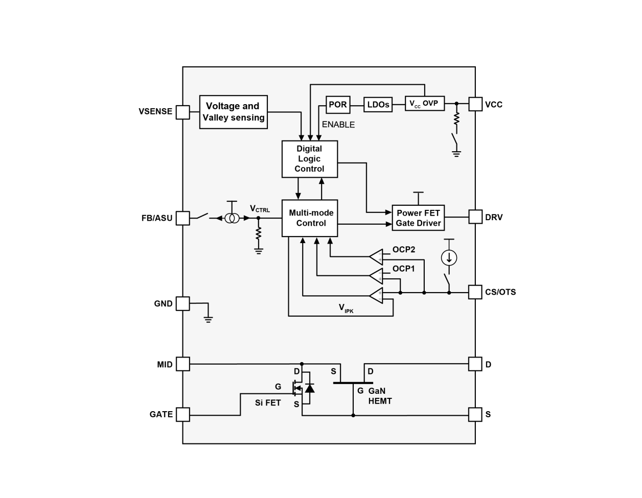
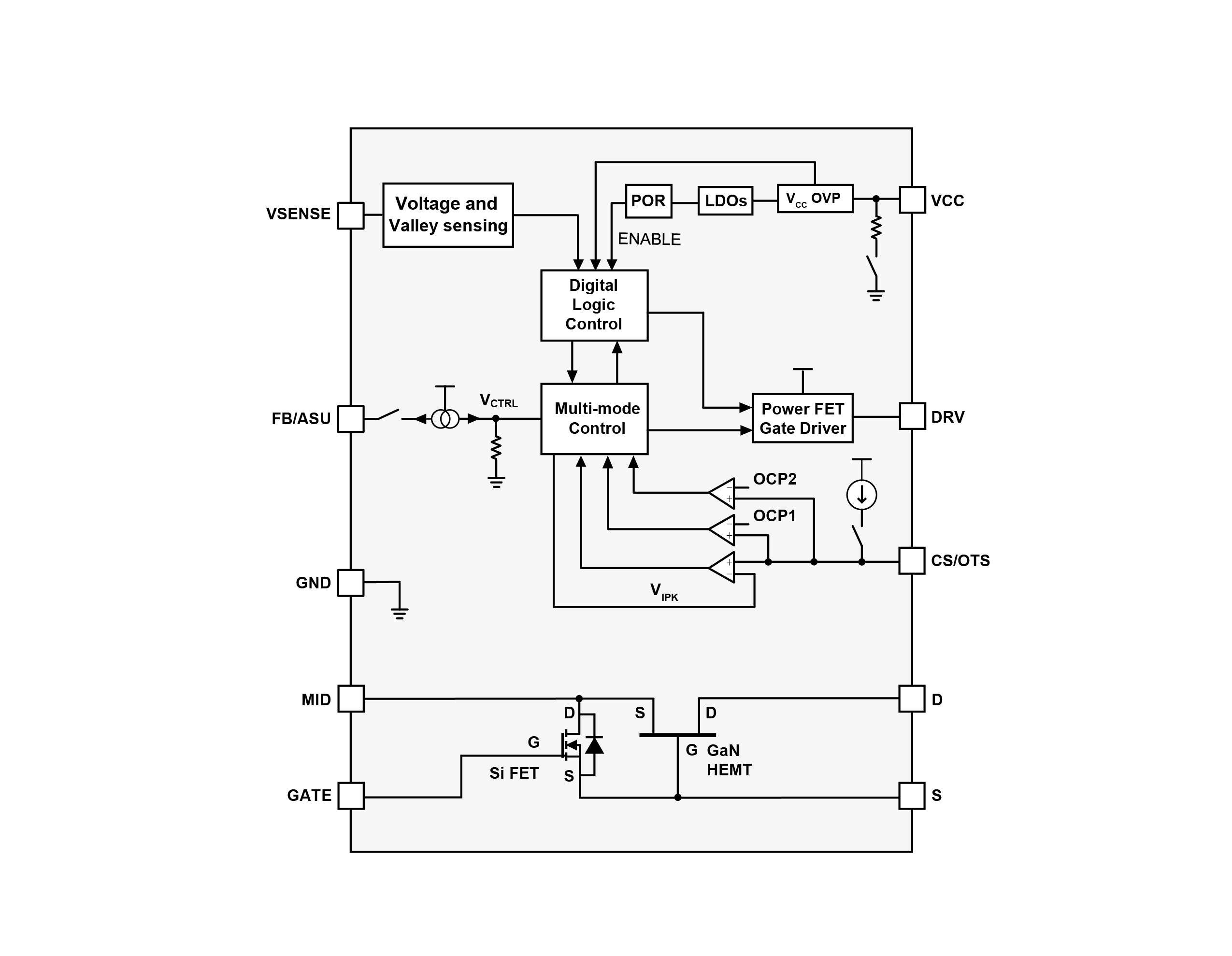
RRW22105 是一款系统级封装(SiP)产品,集成了 700V SuperGaN FET 与高性能 AC/DC 初级侧数字反激式控制器,适配次级侧调节(SSR)架构。 它专为 25W 至 45W 适配器设计,支持配合 TL431 分流稳压器及其他第三方次级侧控制器工作,适用于广泛的中低功率应用领域。
该器件工作于恒频准谐振(QR)模式,并采用自适应多模式控制(MMC)技术,涵盖脉宽调制(PWM)、脉冲频率调制(PFM)以及突发模式(Burst Mode)等多种工作模式。 这种控制方法能够在各种负载条件下有效提升效率、降低电磁干扰(EMI),并消除音频噪声。
搭配 TL431 或其他次级侧控制器使用时,RRW22101 在典型大功率设计中能够实现精准恒压(CV)、快速动态负载响应,并将待机功耗控制在 75mW 以下。 其集成的保护功能以及对双极性辅助绕组检测的支持,不仅简化了变压器设计,提升了 EMI 性能,还有助于降低整体系统成本。