| CAD 模型: | View CAD Model |
| Pkg. Type: | PQFP |
| Pkg. Code: | QLF |
| Lead Count (#): | 208 |
| Pkg. Dimensions (mm): | 27.99 x 27.99 x 0.00 |
| Pitch (mm): |
| Pb (Lead) Free | No |
| ECCN (US) | EAR99 |
| HTS (US) | 8542.39.0090 |
| Moisture Sensitivity Level (MSL) |
| Lead Count (#) | 208 |
| Carrier Type | Tray |
| Pb (Lead) Free | No |
| Temp. Range (°C) | -40 to +85°C |
| ADC Input Frequency (MHz) | 108 |
| Analog RGB Input | Yes |
| CCFL/LED Controller | No |
| CVBS Input | Yes |
| Color Enhancement | Yes |
| Comb Filter | 3D / 2D |
| De-Interlacer | 2D |
| Digital RGB/Y CbCr Input | 24 bit |
| Dual View Output | Sharp |
| External OSD | Analog, Digital 18-bit |
| LVDS Input | No |
| LVDS Output | No |
| Length (mm) | 28 |
| MCU/MPU | External |
| MIPI-CSI2 input | No |
| MOQ | 96 |
| Memory Support | SDRAM |
| OSD Colors | 256 Color/ 24-Bit Palette |
| OSD Type | Graphic (8 bit) |
| Output Resolution (Max) | WXGA |
| PIP | Yes |
| Pkg. Dimensions (mm) | 28.0 x 28.0 x 0.00 |
| Pkg. Type | PQFP |
| Qualification Level | Automotive |
| S-Video Input | Yes |
| SCART Input | No |
| Secondary Output | No |
| TCON Output | No |
| TTL Output | Yes |
| Touch-screen Controller | No |
| Width (mm) | 28 |
| YPbPr Input | Yes |
Support is limited to customers who have already adopted these products.
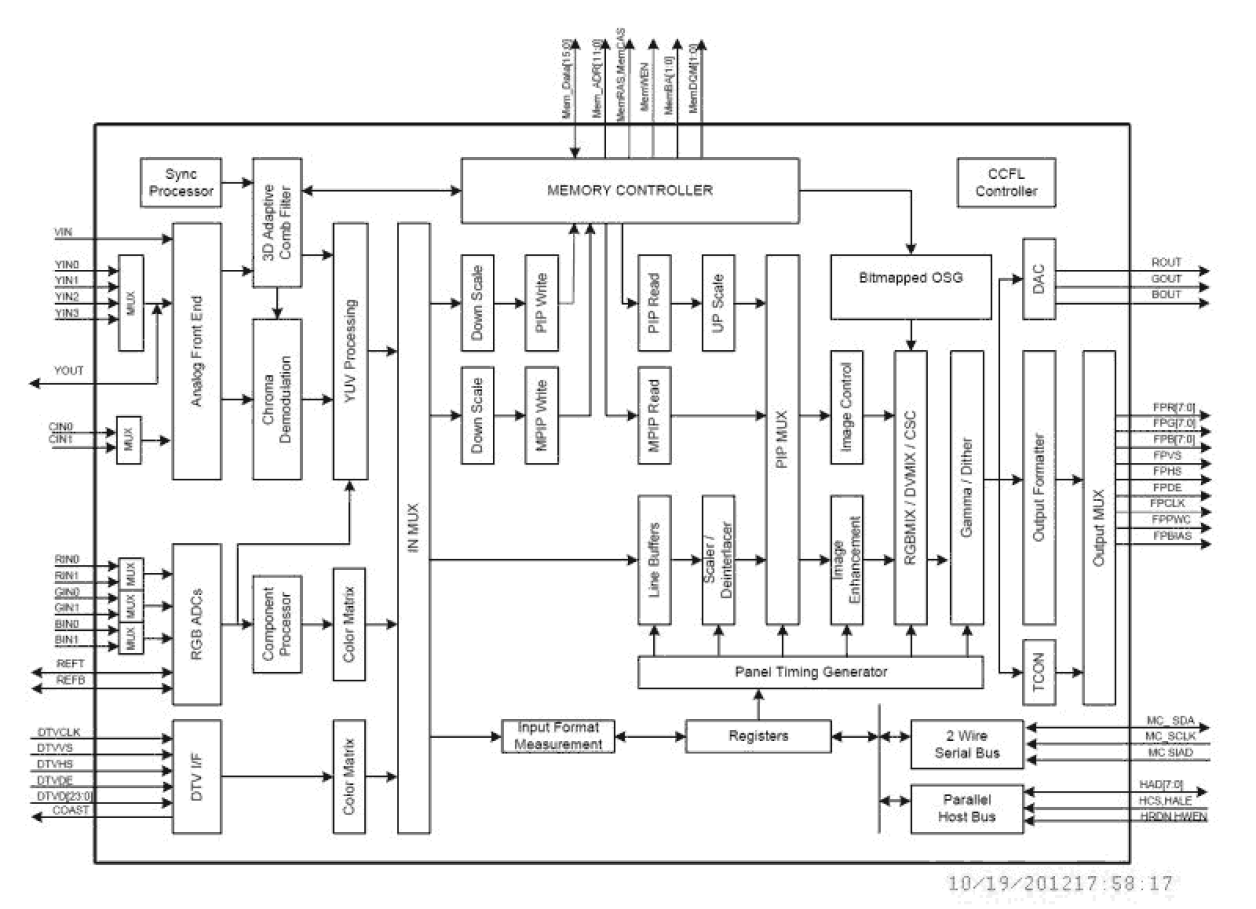
The TW8810 is a highly integrated LCD TFT flat panel controller for Sharp™ dual-view LCD panel primarily targeting front console and rear-seat automotive infotainment applications. The TW8810 integrates a high quality NTSC/PAL/SECAM 3D video decoder and a 2D de-interlacer with low angle compensation. In addition, built-in dual-view mixer enables direct support for Sharp™ dual-view panel.