跳转到主要内容
瑞萨电子 (Renesas Electronics Corporation)

特性

  • 32 taps
  • Three-wire up/down serial interface
  • VCC = 2.7V–5V
  • Operating ICC = 50µA max.
  • Standby current = 1µA max.
  • RTOTAL = 10kΩ, 50kΩ
  • Packages 8 Ld SOIC, 8 Ld MSOP
  • Pb-free plus anneal available (RoHS compliant)

描述

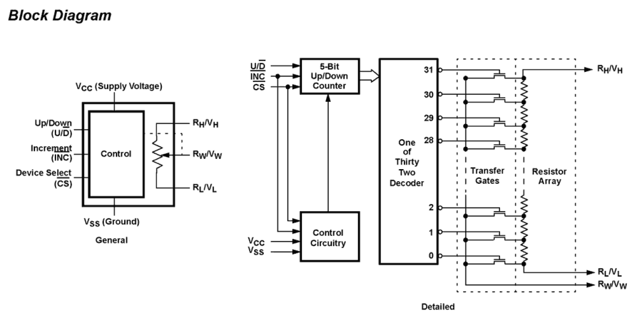
The Intersil X9015 is a 32 tap potentiometer that is volatile. The device consists of a string of 31 resistors that can be programmed to connect the RW/VW wiper output with any of the nodes between the connecting resistors. The connection point of the wiper is determined by information communicated to the device on the 3-wire port. The 3-wire port changes the tap position by a falling edge on the increment pin. The direction the wiper moves is determined by the state of the up/down pin. The wiper position at power up is Tap #15. The X9015 can be used in a wide variety of applications that require a digitally controlled variable resistor to set analog values.

当前筛选条件