特性
- Four potentiometers in one package
- 256 resistor taps–0.4% resolution
- SPI serial interface for write, read, and transfer operations of the potentiometer
- Wiper resistance: 100Ω typical at VCC = 5V
- 4 Nonvolatile data registers for each potentiometer
- Nonvolatile storage of multiple wiper positions
- Standby current <5µA max
- VCC: 2.7V to 5.5V operation
- 50kΩ version of total resistance
- 100 year data retention
- Single supply version of X9250
- Endurance: 100,000 data changes per bit per register
- 24 Ld SOIC, 24 Ld TSSOP
- Low power CMOS
- Pb-free (RoHS compliant)
描述
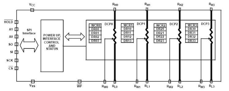
The X9251 integrates four digitally controlled potentiometers (XDCP) on a monolithic CMOS integrated circuit. The digitally controlled potentiometers are implemented with a combination of resistor elements and CMOS switches. The position of the wipers are controlled by the user through the SPI bus interface. Each potentiometer has associated with it a volatile Wiper Counter Register (WCR) and four nonvolatile Data Registers that can be directly written to and read by the user. The content of the WCR controls the position of the wiper. At power-up, the device recalls the content of the default Data Registers of each DCP (DR00, DR10, DR20, and DR30) to the corresponding WCR. The XDCP can be used as a three terminal potentiometer or as a two terminal variable resistor in a wide variety of applications including control, parameter adjustments, and signal processing.
产品参数
| 属性 | 值 |
|---|---|
| Resistance Taper | Linear |
| Taps (#) | 256 |
| Resistance Options (kΩ) | 50 |
| Channels (#) | 4 |
| Interface | SPI |
| Memory Type | Nonvolatile |
| Supply Voltage Vcc Range | 2.7 to 5.5 |
| Supply Current Icc (µA) | 50 |
| Single Supply Voltage Range (V) | 5.5 |
| Wiper Current (mA) | 4.4 |
| Wiper Resistance (ohms) | 200 |
| VL Terminal Voltage (Max) (V) | 5.5 |
| End-to-End Temperature Coefficient (ppm/°C) | 300 |
| Qualification Level | Standard |
封装选项
| Pkg. Type | Pkg. Dimensions (mm) | Lead Count (#) | Pitch (mm) |
|---|---|---|---|
| TSSOP | 7.8 x 4.4 x 0.90 | 24 | 0.7 |
当前筛选条件