跳转到主要内容
瑞萨电子 (Renesas Electronics Corporation)

特性

  • Integrated MOSFET switches
  • 6A continuous output current
  • Adjustable 0.54V to 5.5V output range
  • 4.5V to 14V input range
  • Up to 90% efficiency
  • Auto compensation for fast transient response
  • SMBus compliant serial interface
  • Snapshot™ parametric capture
  • Internal nonvolatile memory
  • Small footprint QFN package (6mmx6mm)

描述

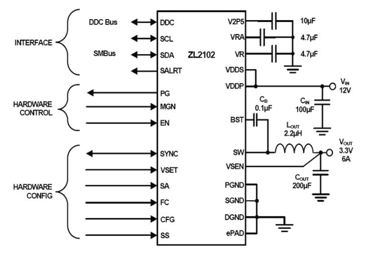
The ZL2102 is an integrated digital power regulator with auto compensation and power management functions in a small package, resulting in a flexible and integrated solution, which can be configured using the PowerNavigator™ graphical user interface. This synchronous buck converter operates from a 4. 5V to 14V input supply and provides from 0. 54V to 5. 5V output voltage at up to 6A. The ZL2102 can be configured for most applications using only hardware pin straps to adjust switching frequency, output voltage, UVLO, soft-start ramp/delay settings, sequencing options, and SMBus address. For more advanced configurations, the ZL2102 supports over 70 PMBus commands. Output voltage/current is factory calibrated. Internal synchronous power MOSFETs enable the ZL2102 to deliver continuous loads up to 6A with high efficiency. An internal Schottky bootstrap diode reduces discrete component count. The ZL2102 also supports phase spreading to reduce system input capacitance. The ZL2102 uses the SMBus™ with PMBus™ protocol for communication with a host controller and the Intersil's proprietary Digital-DC™ bus for interoperability between other Intersil devices.

应用

  • Servers/storage equipment
  • Telecom/datacom equipment
  • Power supplies (memory, DSP, ASIC, FPGA)

当前筛选条件