跳转到主要内容
瑞萨电子 (Renesas Electronics Corporation)

特性

  • Switch dimming with multiple levels
  • Three modes for output level settings
  • Up to 1.0A output current
  • Internal 40V power switch
  • Wide DC input voltage range 8.5 to 40 VDC
  • Output current accuracy: 5% (typical)
  • LED open-circuit protection
  • Thermal shutdown protection
  • High efficiency: up to 98%
  • Very few external components needed for operation
  • Adds switch dimming function to existing installation

描述

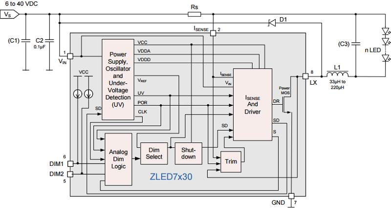
The ZLED7330 continuous-mode inductive step-down converter is part of our ZLED7x30 family of LED-control ICs. It is designed for applications requiring high brightness and high current. The ZLED7330 can efficiently drive a single LED or multiple series-connected LEDs from a voltage input higher than the LED forward voltage (Vin = 8.5 to 40VDC). It provides an adjustable output current (1.0A maximum), which is set via an external resistor and controlled by the ZLED7330's integrated high-side output current-sensing circuit and high-speed internal 40V power switch. Its low conducting impedance ensures high system efficiency. The ZLED7330 provides a switch dimming function. It detects external switch action to adjust output current, allowing dimming functionality to be achieved without changing the original lighting system circuitry. The switch dimming is implemented in either two-level mode or three-level mode. The output current of every level and the total number of levels are customer selected by setting the corresponding input conditions of the DIM1 and DIM2 pins. The ZLED7330 enables diverse industrial and consumer lighting applications requiring high driving currents, wide operating voltage range, high efficiency, and variable brightness control. It offers over-temperature and LED open-circuit protection. The ZLED7330 can also minimize bill-of-material costs because very few external components are required for most applications. Only a resistor, a diode, an inductor, and three capacitors are needed for a typical basic application.

当前筛选条件