| CAD 模型: | View CAD Model |
| Pkg. Type: | WAFER |
| Pkg. Code: | DICE |
| Lead Count (#): | |
| Pkg. Dimensions (mm): | 0.0 x 0.0 x 0.0 |
| Pitch (mm): |
| Moisture Sensitivity Level (MSL) | 1 |
| Pb (Lead) Free | Yes |
| ECCN (US) | |
| HTS (US) |
| Lead Count (#) | 0 |
| Carrier Type | Wafer |
| Moisture Sensitivity Level (MSL) | 1 |
| Pb (Lead) Free | Yes |
| Pb Free Category | e3 Sn |
| Temp. Range (°C) | -40 to 85°C |
| Adj. Analog Gain | 13.2 - 72 |
| Automotive Qual. | No |
| Function | Resistive SSC |
| Input Type | Single-bridge |
| Interface | I2C, SPI |
| MOQ | 17000 |
| Pkg. Dimensions (mm) | 0.0 x 0.0 x 0.0 |
| Pkg. Type | WAFER |
| Qty. per Carrier (#) | 0 |
| Qty. per Reel (#) | 0 |
| Qualification Level | Standard |
| Requires Terms and Conditions | Does not require acceptance of Terms and Conditions |
| Resolution (bits) | 16 |
| Sample Rate Max (KHz) | 0.18 |
| Supply Voltage (V) | 1.8 - 3.6 |
| Tape & Reel | No |
| 已发布 | No |
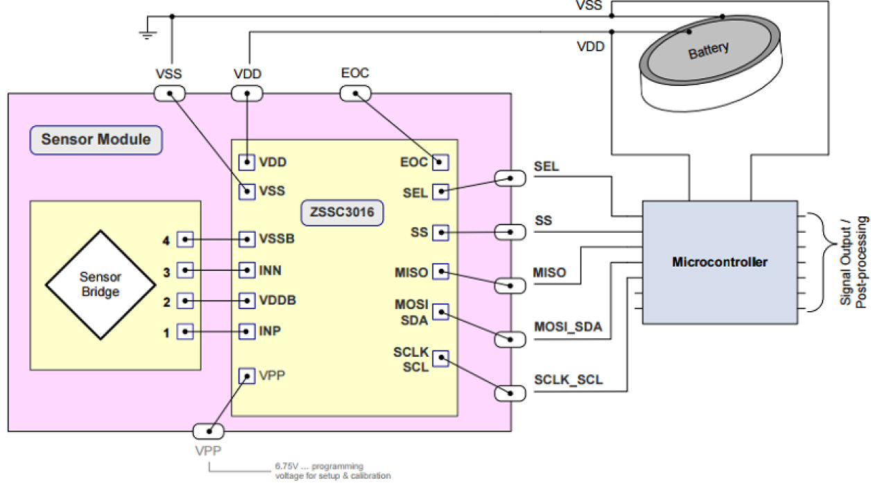
The ZSSC3016 is a sensor signal conditioner (SSC) integrated circuit for high-accuracy amplification and analog-to-digital conversion of a differential input signal. Designed for high resolution altimeter module applications, the ZSSC3016 can perform offset, span, and 1st and 2nd order temperature compensation of the measured signal. Developed for correction of resistive bridge sensors, it can also provide a corrected temperature output measured with an internal sensor. The measured and corrected bridge values are provided at the digital output pins, which can be configured as I2C (≤ 3.4MHz) or SPI (≤ 20MHz). Digital compensation of signal offset, sensitivity, temperature, and non-linearity is accomplished via an 18-bit internal digital signal processor (DSP) running a correction algorithm. Calibration coefficients are stored on-chip in a highly reliable, nonvolatile, multiple-time programmable (MTP) memory. Programming the ZSSC3016 is simple via the serial interface and the PC-controlled calibration software provided in the IDT Evaluation Kit. The interface is used for the PC-controlled calibration procedure, which programs the set of calibration coefficients in memory. Digital mating of the sensor with the signal conditioner is fast and precise, eliminating the overhead normally associated with trimming external components and multi-pass calibration routines.