跳转到主要内容

特性

  • Sample rate up to 200 Hz
  • ADC resolution 13/14 bit
  • Internal temperature compensation
  • Integrated adjustable digital filter
  • Digital compensation of sensor offset, sensitivity, temperature drift, and non-linearity
  • Output options: Ratiometric analog voltage output (5% to 95% maximum, 12.4 bit resolution) or ZACwire™ (digital one-wire-interface)
  • Sensor biasing by voltage
  • High voltage protection up to 33 V
  • Supply current: max. 5.5mA
  • Reverse polarity and short circuit protection
  • Operation temperature range as wide as -40°C to +150°C
  • Traceability by user-defined EEPROM entries

描述

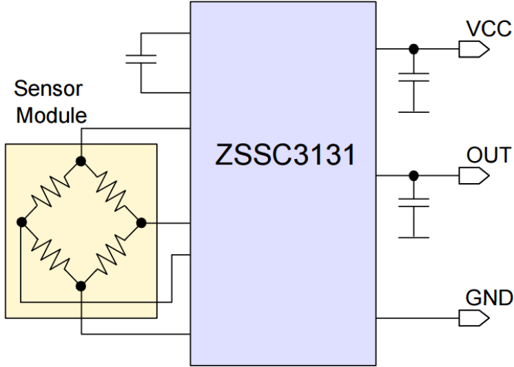
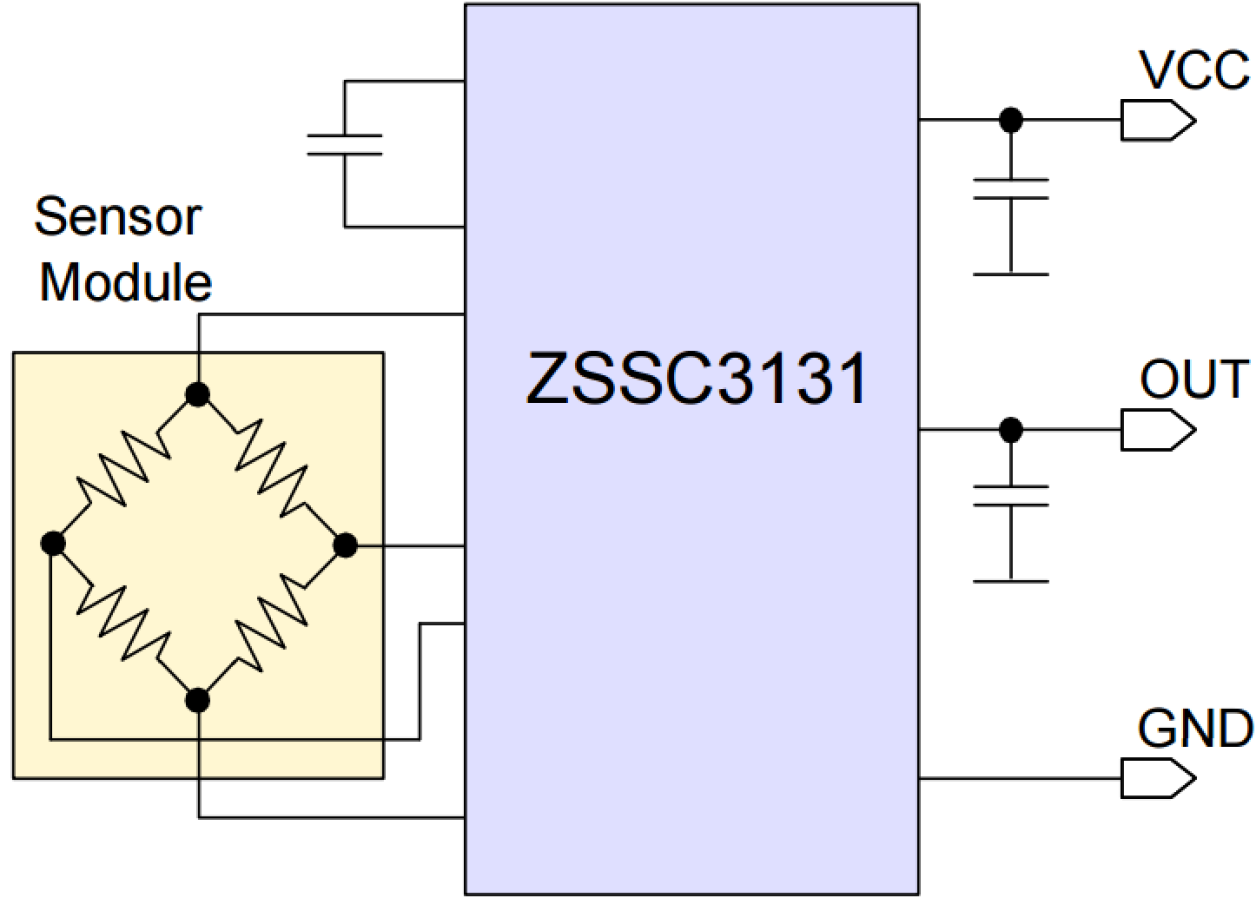
The ZSSC3131 is a member of the ZSSC313x product family of CMOS integrated circuits designed for automotive and industrial sensor applications. All family members are well suited for highly accurate amplification and sensor-specific correction of resistive bridge sensor signals. An internal 16-bit RISC microcontroller running a correction algorithm compensates sensor offset, sensitivity, temperature drift, and non-linearity of the connected sensor element. The required calibration coefficients are stored by the single-pass calibration procedure in an on-chip EEPROM. The ZSSC3131 is optimized for simple switch and cost-sensitive sensor applications. The integrated adjustable digital filter offers the possibility to setup fast switching real-time applications as well as stabilized applications in the event of disturbed or unstable switching input signals.

当前筛选条件

A brief introduction and overview of IDT's (acquire by Renesas) sensor signal conditioner evaluation kits. Evaluation kits generally consist of three parts: a communication interface board, a device board, and a sensor simulator board - all connected together. A sophisticated software GUI accompanies the kit, enabling an engineer to learn how to use the part rapidly, do quick prototyping, and practice calibrations.

Presented by David Grice, applications engineer at IDT. For more information about IDT's sensor signal conditioner products, visit the Sensor Signal Conditioner page.