跳转到主要内容

特性

  • Digital communication and calibration interfaces SPI, I2C, OWI
  • Supports various sensor element configurations
  • On-chip temperature sensor
  • External temperature sensing supported
  • Advanced 16-bit DAC output with post calibration option
  • (0V to 1V) or (0V to 5V) absolute voltage output
  • VDD- ratiometric voltage output
  • 4mA to 20mA current-loop output
  • 0V to 10V absolute-voltage output
  • Programmable measurement scheduler
  • DAC Output Clipping
  • Self-diagnostic coverage and system safety
  • On-chip diagnostics

描述

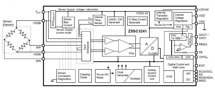
The ZSSC3241 is a sensor signal conditioning IC (SSC) for highly accurate amplification, digitization, and sensor-specific correction of resistive sensor signals. The ZSSC3241 provides best-in-class sensor-element adaptability, and it is suitable for bridge and half-bridge sensors, as well as external voltage-source element and single-element sensors in multiple configurations. Digital compensation of the sensor offset, sensitivity, temperature drift, and non-linearity is accomplished via a 26-bit math core running a correction algorithm with calibration coefficients stored in a non-volatile, reprogrammable memory. A second, separate compensation for gain and offset, and digital-output independent analog-output correction is supported for optimum adaptability of dual-domain (analog and digital) sensor solutions. The programmable, integrated sensor front-end allows optimally applying various sensors for a broad range of applications.

New functions vs. ZSSC3240

  • Additional AFE configuration options
  • Programmable DAC output clipping
  • Separate AOUT post-scaling math
  • Programmable hysteresis for EoC comparator with 2 programmable thresholds
  • Optimized EMC behavior
  • Same die size & pad layout and QFN24-pin-out like ZSSC3240
  • EEPROM with minor changes/extensions vs. ZSSC3240
  • 99% backward compatible to ZSSC3240

产品参数

属性
Function Resistive SSC
Automotive Qual. No
Supply Voltage (V) 2.7 - 5.5
Input Type Single-bridge
Interface I2C, SPI, Alarm, Ratiometric Voltage, Absolute Voltage, Current Loop, OWI
Adj. Analog Gain 1.32 - 540
Resolution (bits) 24
Sample Rate Max (KHz) 2.91
Temp. Range (°C) -40 to 125°C

封装选项

Pkg. Type Pkg. Dimensions (mm) Lead Count (#) Pitch (mm)
VFQFPN 4.0 x 4.0 x 0.9 24 0.5
WAFER 0.0 x 0.0 x 0.0

应用方框图

Current Loop Communication with AnalogPAK Block Diagram
采用 AnalogPAK 的电流环路通信
AnalogPAK™ 支持 4 至 20mA 电流环路,支持 HART 调制解调器和 FSK 调制。

其他应用

  • Calibrated, continuously operating sensors with digital interface and/or analog output: (absolute or ratiometric) voltage or current loop output
  • Enables smart, digital sensors for energy-efficient solutions
  • Pressure, flow, and level sensing
  • Industrial applications; e.g. process/factory automation
  • Consumer / white goods, e.g. HVAC, weight scales
  • Medical applications, e.g. blood pressure, continuous smart health monitors

当前筛选条件

Renesas’ ZSSC3241 is a powerful Sensor Signal Conditioner (SSC) with analog and digital output, on-chip diagnostics, industrial voltage range and an embedded DSP core. The solution targets high-end applications such as industrial, medical, and consumer sensing for a wide variety of sensor platform designs.