跳转到主要内容
瑞萨电子 (Renesas Electronics Corporation)

多相 DC/DC 开关控制器

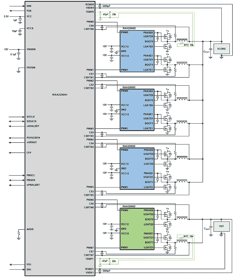
瑞萨电子的第二代全数字多相 PWM 控制器能够提供丰富多样、扩展性极强的解决方案,可在三个独立输出端上提供高达 20 相的原生支持。 最新的控制器系列支持各种接口,包括 Intel VR13/VR13HC 和 IMVP8 规范以及 AMD SVI2 接口。 结合我们类型众多的智能功率级模块(20A 至 90A),便可实现完整的电源解决方案,满足各种电源轨或电源要求。

产品选择器: 多相 DC/DC 开关控制器

通过我们的参数化产品选择工具探索我们的产品目录。比较各种参数的规格,找到适合您设计的零件。

产品选择器

文档

工具和资源