跳转到主要内容
注意 - 建议使用以下设备作为替代品:
NRND-EV - No Recommended Replacements Available - NRND

概览

描述

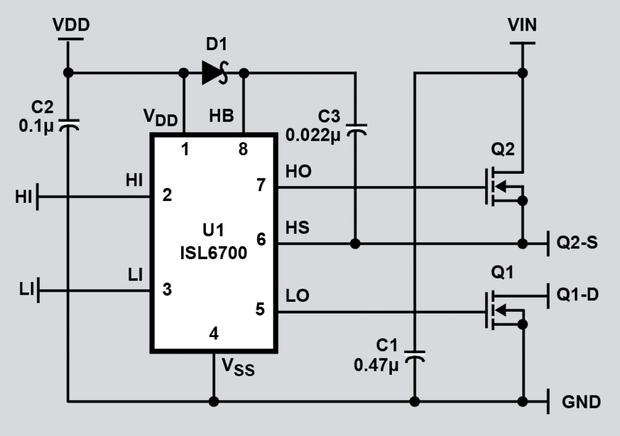
The ISL6700EVAL1Z evaluation board enables rapid construction of an isolated DC/DC converter in several configurations. The board consists of the ISL6700 half-bridge driver IC, two IRFR120 MOSFETs, a bootstrap diode, a bootstrap capacitor, and two input voltage decoupling capacitors. The ISL6700 can operate at frequencies in excess of 500kHz and has typical propagation delay times of 30ns. It has 1.25A of output drive capability and can switch an IRFR120 load with rise and fall times of less than 20ns.

特性

  • Three application configurations:
    • Two-switch forward converter
    • Half-bridge converter
    • Active-clamp forward converter
  • Drives two N-channel MOSFETs in half-bridge configuration
  • Space saving SO8 and low RC-S QFN packages
  • Phase supply max voltage to 80VDC
  • Bootstrap supply max voltage to 96VDC
  • Drives 1000pF load with rise and fall times Typ. 15ns
  • TTL/CMOS compatible input thresholds
  • Independent inputs for non-half-bridge topologies
  • No start-up problems
  • Low power consumption
  • Wide supply range
  • Supply undervoltage protection

应用

文档

支持

支持社区

支持社区

在线询问瑞萨电子工程社群的技术人员,快速获得技术支持。
浏览文章

知识库

浏览我们的知识库,获取文章、常见问题解答及其他实用资源。
提交工单

提交工单

需要咨询技术性问题或提供非公开信息吗?