跳转到主要内容

概览

描述

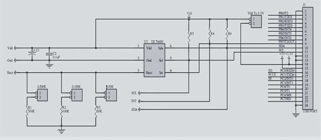
The ISL76683EVAL1Z evaluation board is an RoHS compliant evaluation board designed for exploring the operation of the ISL76683 light-to-digital output sensor. The evaluation board is an easy-to-use platform for testing most of the specifications and functionalities of the ISL76683.

The ISL76683 is an integrated light sensor with an internal integrating ADC intended for automotive applications. The ADC provides 16-bit resolution and is capable of rejecting 50Hz and 60Hz flicker caused by artificial light sources. The I2C interface provides four user programmable lux sensitivity ranges for optimized counts/lux in a variety of lighting conditions. In addition, the I2C interface provides multi-function control of the sensor and remote monitoring capabilities.

特性

  • Range select via I2C
    • Range 1 = 0 lux to 1000 lux
    • Range 2 = 0 lux to 4000 lux
    • Range 3 = 0 lux to 16,000 lux
    • Range 4 = 0 lux to 64,000 lux
  • Human eye response (540nm peak sensitivity)
  • Temperature compensated
  • 16-bit resolution
  • Adjustable sensitivity: Up to 65 counts per lux
  • User-programmable upper and lower threshold interrupt
  • Simple output code, directly proportional to lux
  • IR + UV rejection
  • 50Hz/60Hz rejection
  • 2.5V to 3.3V supply
  • 6 Ld ODFN (2.1mm x 2mm)
  • AEC-Q100 qualified
  • Pb-free (RoHS compliant)

应用

文档

设计和开发

软件与工具

软件下载

产品选项

当前筛选条件

支持

支持社区

支持社区

在线询问瑞萨电子工程社群的技术人员,快速获得技术支持。
浏览常见问题解答

常见问题

浏览我们的知识库,了解常见问题的解答。
提交工单

提交工单

需要咨询技术性问题或提供非公开信息吗?

视频和培训

The ISL76xx family features the first transparent package qualified for -40 to 105 degrees Celsius.

Transcript

Another area that Intersil has ICs is ambient light sensors. In the past, we've had a large market share in portable devices like handsets, cell phones, cameras, etc. with our ambient light sensors. These devices are now migrating into the vehicle. So, there's a few key areas that they're used. They're used for adjusting the brightness on the lighting on your dashboards. They're also used within the mirrors in the vehicle where there is a sensor at the back of the mirror and a sensor now in the front of the mirror, where you actually, you detect the difference in light coming from headlights before you or from behind you. So, our ambient light sensors are designed specifically to meet automotive requirements. We are the only ambient light sensor supplier worldwide that meets the full requirements up to a 105 °C for our ambient light sensor packaging. All our competitors, the best they can get is up to 85 °C.

So, if you have an application where your ambient light sensor is on your dashboard or at the back of the mirror, overtime that will degrade with performance if it's only rated to 85 °C. So, our devices today are the only ones in the market rated to actually meet that requirement.