跳转到主要内容

概览

描述

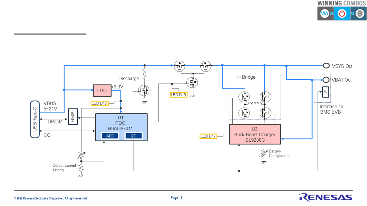
这是一个单端口参考设计,用于实现具有2节到4节电池(预设3节)串联的电池系统。此参考设计支持仅从 USB Type-C 端口供电模式 以及 移动电源模式,与带BMS的锂离子电池组合。

由于电缆、板载充电器和电路板存在一定损耗,因此 USB PD 控制器需要 USB Type-C 供电(Source)设备具有适当的 USB-C 输入电压,以便电池系统正常运行。

该评估板上的开关允许您选择串联电池的数量和充电电流。

该评估板的固件(软件)由名为 VIDWriter 的工具生成。

特性

  • 功能
    • 高达 100W USB-C 电池系统参考
    • 可以通过板上的旋钮设置电池配置和最大充电电流
  • 优点
    • 简单的设计和高性能
    • 参考设计让开发更简单
  • USB Power Delivery 和 USB-Type-C
    • 单 USB-Type-C 端口
    • 电源角色: 仅受电(Sink Only)或 双电源角色 (受电和供电模式)
    • 支持2~4节串联电池
  • LED 指示灯
    • USB-C 电源指示灯 (1个 LED)
  • 开关(旋钮)
    • 电池配置设置
    • 最大电流控制
  • 保护功能
    • 过压保护 (VBUS)

应用

文档

设计和开发

软件与工具

软件下载

产品选项

当前筛选条件

支持

支持社区

支持社区

在线询问瑞萨电子工程社群的技术人员,快速获得技术支持。
浏览常见问题解答

常见问题

浏览我们的知识库,了解常见问题的解答。
提交工单

提交工单

需要咨询技术性问题或提供非公开信息吗?

视频和培训

This video provides an introduction to the RTK-215-SinkCharger-ISL9238C Evaluation Board, featuring the "VIDWRITER" Instruction Tool. It highlights the board's capabilities in battery charging (Sink operation) and powering external devices (Source operation), demonstrating its versatility and functionality.