| CAD 模型: | View CAD Model |
| Pkg. Type: | QSOP |
| Pkg. Code: | PCG20 |
| Lead Count (#): | 20 |
| Pkg. Dimensions (mm): | 8.7 x 3.8 x 1.47 |
| Pitch (mm): | 0.64 |
| Moisture Sensitivity Level (MSL) | 1 |
| Pb (Lead) Free | Yes |
| ECCN (US) | EAR99 |
| HTS (US) | 8542.39.0090 |
| Lead Count (#) | 20 |
| Carrier Type | Tube |
| Moisture Sensitivity Level (MSL) | 1 |
| Qty. per Reel (#) | 0 |
| Qty. per Carrier (#) | 55 |
| Core Voltage (V) | 3.3 |
| Inputs (#) | 2 |
| Output Skew (ps) | 270 |
| Output Type | LVCMOS |
| Output Voltage (V) | 3.3 |
| Package Area (mm²) | 33.1 |
| Pitch (mm) | 0.64 |
| Pkg. Dimensions (mm) | 8.7 x 3.8 x 1.47 |
| Pb (Lead) Free | Yes |
| Pb Free Category | e3 Sn |
| Temp. Range (°C) | -40 to 85°C |
| Function | Buffer |
| Input Freq (MHz) | 166 |
| Input Type | LVCMOS |
| Length (mm) | 8.7 |
| MOQ | 330 |
| Output Banks (#) | 2 |
| Output Freq Range (MHz) | 166 |
| Outputs (#) | 10 |
| Pkg. Type | QSOP |
| Price (USD) | $1.51182 |
| Product Category | Clock Buffers & Drivers |
| Requires Terms and Conditions | Does not require acceptance of Terms and Conditions |
| Tape & Reel | No |
| Thickness (mm) | 1.47 |
| Width (mm) | 3.8 |
| 已发布 | No |
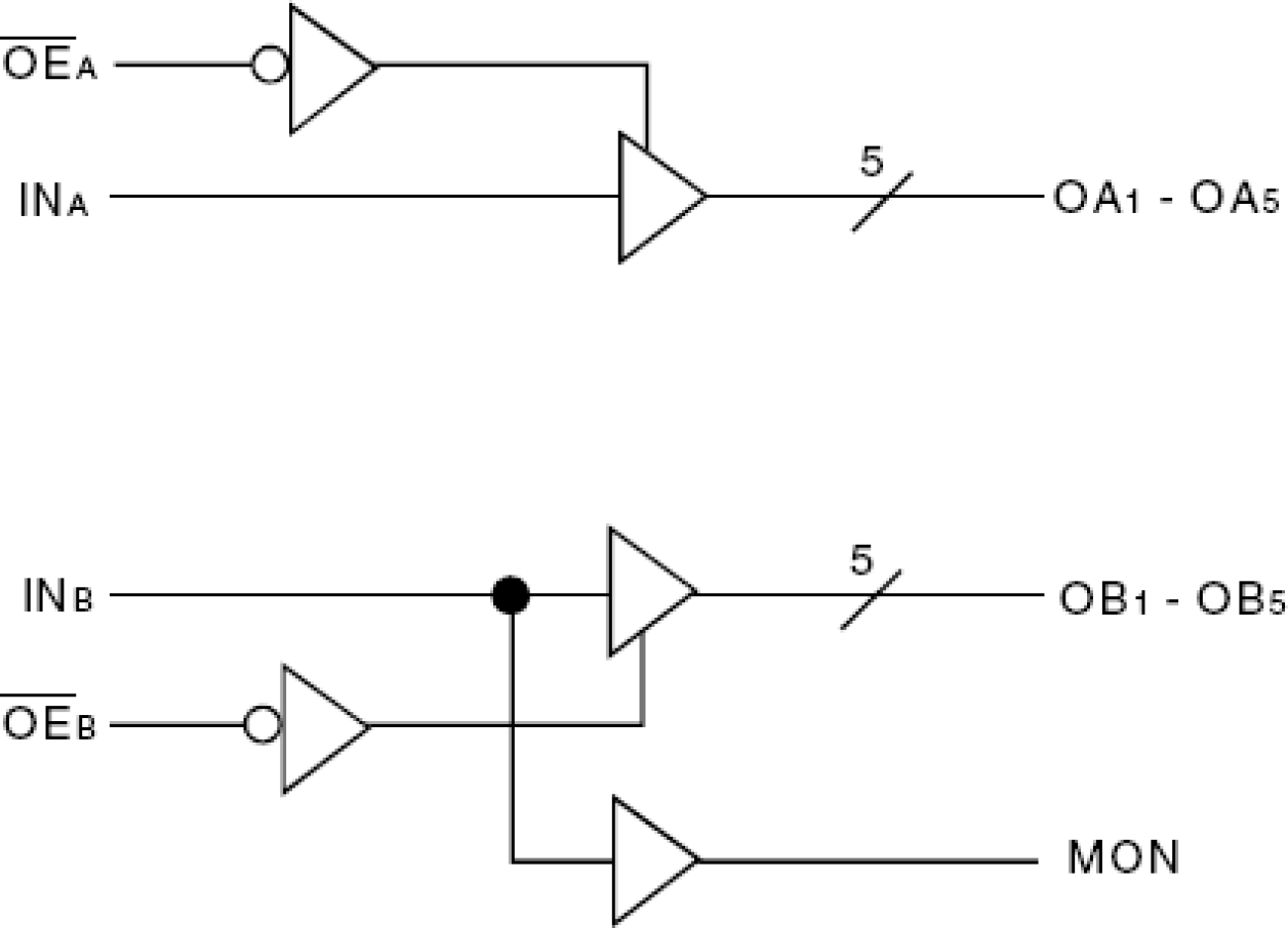
The FCT3805 is a 3.3 volt clock driver built using advanced CMOS technology. The device consists of two banks of drivers, each with a 1:5 fanout and its own output enable control. The device has a "heartbeat" monitor for diagnostics and PLL driving. The MON output is identical to all other outputs
and complies with the output specifications in this document. The FCT3805 offers low capacitance inputs.
The FCT3805 is designed for high speed clock distribution where signal quality and skew are critical. The FCT3805 also allows single point-to-point transmission line driving in applications such as address distribution, where one signal must be distributed to multiple receivers with low skew and high signal quality.