跳转到主要内容

特性

  • Low RMS Additive Phase Jitter: 50 fs
  • Low output skew: 50 ps
  • Operating voltages of 1.8 V to 3.3 V
  • Packaged in 16-pin TSSOP and 16-pin VFQFPN
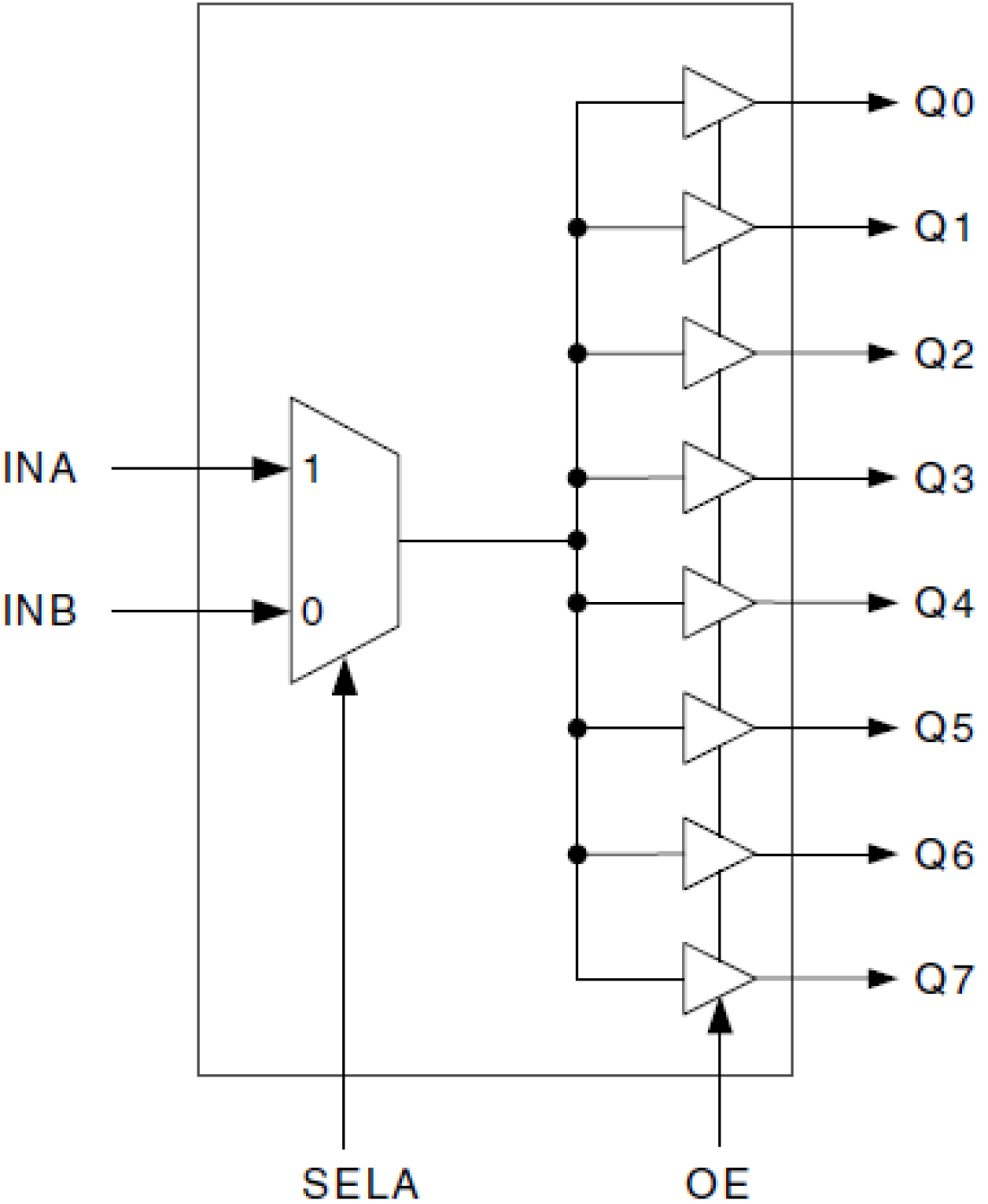
  • Input clock multiplexer simplifies clock selection
  • Output Enable pin tri-states outputs
  • Input / Output clock frequency up to 200 MHz
  • Low power CMOS technology
  • 3.3 V tolerant inputs
  • Extended temperature (-40°C to +105°C)

描述

The 552-02S is a low skew, single-input to eight-output clock buffer. The device offers a dual input with pin select for switching between two clock sources. It has best in class Additive Phase Jitter of sub 50 fsec.

产品参数

属性
Function Buffer, Multiplexer
Outputs (#) 8
Output Type LVCMOS
Output Freq Range (MHz) 0 - 200
Input Type LVCMOS
Output Banks (#) 1
Output Voltage (V) 1.8, 2.5, 3.3
Output Skew (ps) 50
Additive Phase Jitter Typ RMS (fs) 50

封装选项

Pkg. Type Pkg. Dimensions (mm) Lead Count (#) Pitch (mm)
COL 2.5 x 2.5 x 0.5 16 0.4
TSSOP 5.0 x 4.4 x 1.0 16 0.65

当前筛选条件