跳转到主要内容
瑞萨电子 (Renesas Electronics Corporation)

特性

  • 16-pin TSSOP package
  • RoHS compliant packaging
  • No short pulses or glitches on output
  • Operates from 6 to 200 MHz
  • Low skew outputs
  • User controlled (-01) or automatic, timed mux switch (-02)
  • Ideal for systems with back-up or redundant clocks
  • Zero delay (input to output)
  • 50% output duty cycle allows duty cycle correction
  • SpreadSmartTM technology works with spread spectrum parts

描述

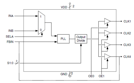
The ICS581-01 is a glitch free, Phase Locked Loop (PLL) based clock multiplexer (mux) with zero delay from input to output. It has have four low skew outputs which can be configured as a single output, three outputs,
or four outputs. The ICS581-01 allows user control over the mux switching. The ICS581-01 is a member of IDT’s ClockBlocksTM family of clock generation, synchronization, and distribution devices. For a non-PLL based clock mux, see the ICS580-01.

当前筛选条件