跳转到主要内容
瑞萨电子 (Renesas Electronics Corporation)
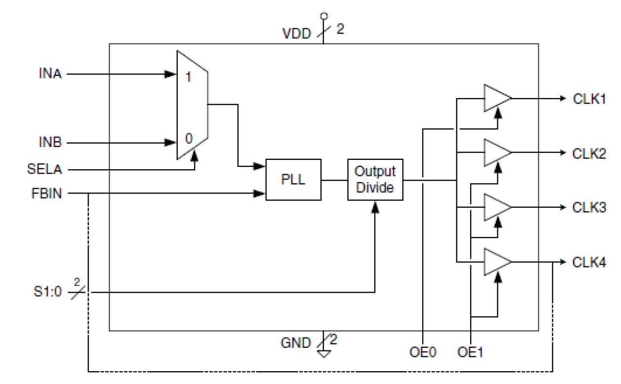
Zero Delay Glitch-Free Clock Multiplexer

封装信息

CAD 模型:View CAD Model
Pkg. Type:TSSOP
Pkg. Code:PGG16
Lead Count (#):16
Pkg. Dimensions (mm):5.0 x 4.4 x 1.0
Pitch (mm):0.65

环境和出口类别

Moisture Sensitivity Level (MSL)1
Pb (Lead) FreeYes
ECCN (US)EAR99
HTS (US)8542.39.0090

产品属性

Lead Count (#)16
Carrier TypeReel
Moisture Sensitivity Level (MSL)1
Qty. per Reel (#)2500
Qty. per Carrier (#)0
Pb (Lead) FreeYes
Pb Free Categorye3 Sn
Temp. Range (°C)-40 to 85°C
Accepts Spread Spec InputYes
Advanced FeaturesAccepts Spread Spec Input
Core Voltage (V)3.3V, 5V
Delay ModeConstant
Die FormNo
FunctionBuffer
Hitless ProtectionYes
Input Freq (MHz)6
Input TypeLVCMOS
Inputs (#)2
Length (mm)5
MOQ2500
Output Banks (#)4
Output Freq Range (MHz)6
Output Skew (ps)250
Output TypeLVCMOS
Output Voltage (V)3.3V, 5V
Outputs (#)4
Package Area (mm²)22
Pitch (mm)0.65
Pkg. Dimensions (mm)5.0 x 4.4 x 1.0
Pkg. TypeTSSOP
Product CategoryClock Buffers & Drivers
Reel Size (in)13
Requires Terms and ConditionsDoes not require acceptance of Terms and Conditions
Supply Voltage (V)3.3 - 5
Tape & ReelYes
Thickness (mm)1
Width (mm)4.4

描述

The ICS581-01 is a glitch free, Phase Locked Loop (PLL) based clock multiplexer (mux) with zero delay from input to output. It has have four low skew outputs which can be configured as a single output, three outputs,
or four outputs. The ICS581-01 allows user control over the mux switching. The ICS581-01 is a member of IDT’s ClockBlocksTM family of clock generation, synchronization, and distribution devices. For a non-PLL based clock mux, see the ICS580-01.