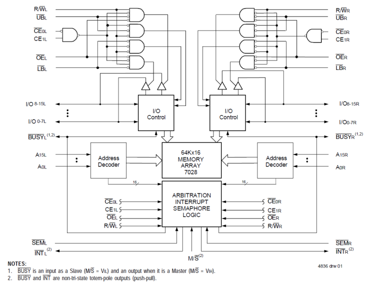
特性
- True Dual-Ported memory cells which allow simultaneous reads of the same memory location
- Dual chip enables allow for depth expansion without external logic
- 7028 easily expands data bus width to 32 bits or more
- Interrupt Flag and On-chip port arbitration logic
- Full on-chip hardware support of semaphore signaling between ports
- Fully asynchronous operation from either port
- Separate upper-byte and lower-byte controls for multiplexed bus and bus matching compatibility
- TTL-compatible, single 5V (±10%) power supply
- Available in a 100-pin TQFP package
- Industrial temperature range (–40C to +85C) is available
描述
The 7028 is a high-speed 64K x 16 Dual-Port Static RAM designed to be used as a stand-alone 1024K-bit Dual-Port RAM or as a combination MASTER/SLAVE Dual-Port RAM for 32-bit-ormore word systems. An automatic power down feature controlled by the chip enables (CE0 and CE1) permit the on-chip circuitry of each port to enter a very low standby power mode.
产品参数
| 属性 | 值 |
|---|---|
| Core Voltage (V) | 5 |
| Bus Width (bits) | 16 |
| Density (Kb) | 1024 |
| Pkg. Code | PNG100 |
| Interface | Async |
| I/O Type | 5.0 V TTL |
| Access Time (ns) | 15, 20 |
| Temp. Range (°C) | -40 to 85°C, 0 to 70°C |
| Architecture | Dual-Port |
| Organization | 64K x 16 |
| Function | Busy, Interrupt, Master, Semaphore, Slave |
封装选项
| Pkg. Type | Pkg. Dimensions (mm) | Lead Count (#) | Pitch (mm) |
|---|---|---|---|
| TQFP | 14.0 x 14.0 x 1.4 | 100 | 0.5 |
当前筛选条件
加载中