跳转到主要内容
瑞萨电子 (Renesas Electronics Corporation)
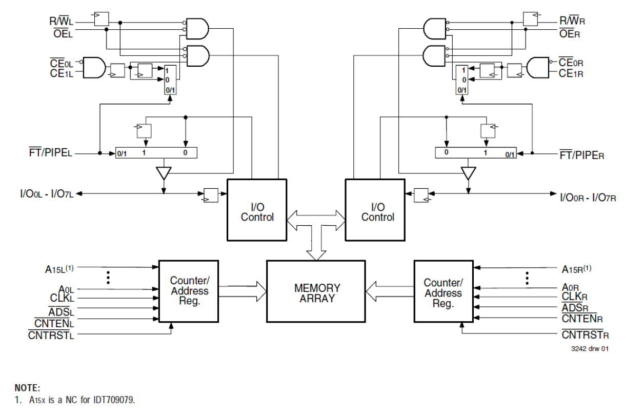
32K x 8 Sync, Dual-Port RAM, Pipelined/Flow-Through

封装信息

CAD 模型:View CAD Model
Pkg. Type:TQFP
Pkg. Code:PN100
Lead Count (#):100
Pkg. Dimensions (mm):14.0 x 14.0 x 1.4
Pitch (mm):0.5

环境和出口类别

Pb (Lead) FreeNo
Moisture Sensitivity Level (MSL)3
ECCN (US)
HTS (US)

产品属性

Lead Count (#)100
Pb (Lead) FreeNo
Carrier TypeReel
ArchitectureDual-Port
Bus Width (bits)8
Core Voltage (V)5
Density (Kb)256
FunctionCounters, Dual Clocks
I/O Frequency (MHz)40 - 40
I/O Type5.0 V TTL
InterfaceSync
Length (mm)14
MOQ750
Moisture Sensitivity Level (MSL)3
Organization32K x 8
Output TypeFlowthrough, Pipelined
Package Area (mm²)196
Pb Free Categorye0
Pitch (mm)0.5
Pkg. Dimensions (mm)14.0 x 14.0 x 1.4
Pkg. TypeTQFP
Qty. per Carrier (#)0
Qty. per Reel (#)750
Reel Size (in)13
Requires Terms and ConditionsDoes not require acceptance of Terms and Conditions
Tape & ReelYes
Temp. Range (°C)0 to 70°C
Thickness (mm)1.4
Width (mm)14

描述

The 709079 is a high-speed 32K x 8 bit synchronous Dual- Port RAM. Registers on control, data, and address inputs provide minimal setup and hold times allowing systems to be designed with very short cycle times. With an input data register, it has been optimized for applications having unidirectional or bidirectional data flow in bursts. An automatic power down feature, controlled by CE0 and CE1, permits the on-chip circuitry of each port to enter a very low standby power mode.