跳转到主要内容
瑞萨电子 (Renesas Electronics Corporation)

特性

  • Synchronous operation
  • 13ns cycle time, 76MHz operation in pipeline mode
  • Self-timed write allows for fast cycle times
  • TTL-compatible, singles 5V (±10%) power supply
  • Clock Enable feature
  • Guaranteed data output hold times
  • Available in 80-pin TQFP package
  • Industrial temperature range (–40C to +85C) is available

描述

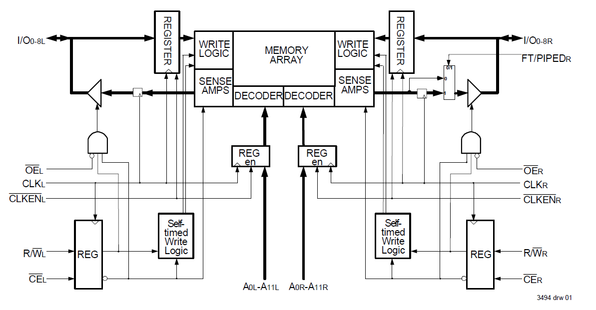
The 709149 is a high-speed 4K x 9 bit synchronous Dual-Port SRAM that has been optimized for applications having unidirectional data flow or bi-directional data flow in bursts, by utilizing input data registers. The 709149 utilizes a 9-bit wide data path to allow for parity which is useful in data communication applications where it is necessary to use a parity bit for transmission/ reception error checking. An automatic power down feature, controlled by CE, permits the on-chip circuitry of each port to enter a very low standby power mode.

当前筛选条件