跳转到主要内容
瑞萨电子 (Renesas Electronics Corporation)
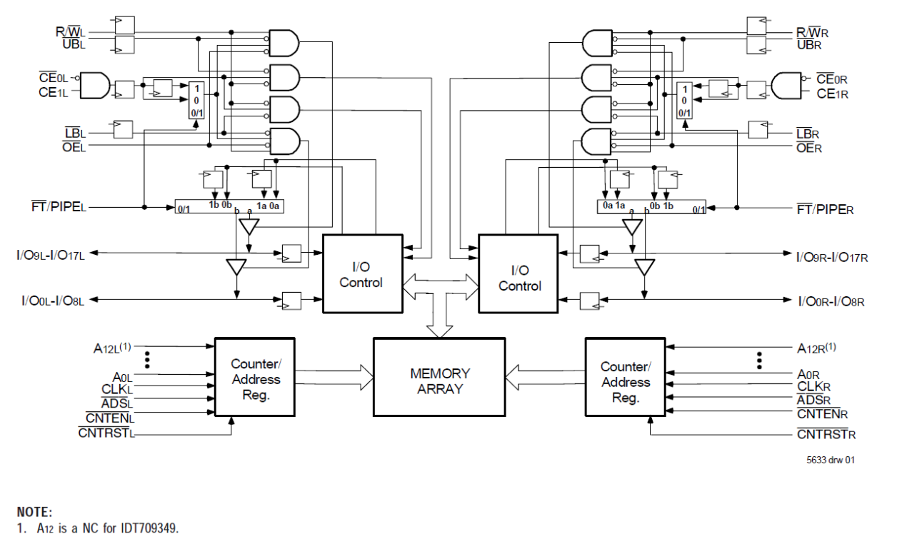
8K x 18 Sync, Dual-Port RAM, Pipelined/Flow-Through

封装信息

CAD 模型:View CAD Model
Pkg. Type:TQFP
Pkg. Code:PN100
Lead Count (#):100
Pkg. Dimensions (mm):14.0 x 14.0 x 1.4
Pitch (mm):0.5

环境和出口类别

Pb (Lead) FreeNo
Moisture Sensitivity Level (MSL)3
ECCN (US)
HTS (US)

产品属性

Lead Count (#)100
Pb (Lead) FreeNo
Carrier TypeTray
ArchitectureDual-Port
Bus Width (bits)18
Core Voltage (V)5
Density (Kb)144
FunctionCounters, Dual Clocks
I/O Frequency (MHz)100 - 100
I/O Type5.0 V TTL
InterfaceSync
Length (mm)14
MOQ45
Moisture Sensitivity Level (MSL)3
Organization8K x 18
Output TypeFlowthrough, Pipelined
Package Area (mm²)196
Pb Free Categorye0
Pitch (mm)0.5
Pkg. Dimensions (mm)14.0 x 14.0 x 1.4
Pkg. TypeTQFP
Qty. per Carrier (#)90
Qty. per Reel (#)0
Requires Terms and ConditionsDoes not require acceptance of Terms and Conditions
Tape & ReelNo
Temp. Range (°C)0 to 70°C
Thickness (mm)1.4
Width (mm)14

描述

The 709359 is a high-speed 8K x 18 bit synchronous Dual-Port RAM that has been optimized for applications having unidirectional or bidirectional data flow in bursts. An automatic power down feature, controlled by CE0 and CE1, permits the on-chip circuitry of each port to enter a very low standby power mode.