| CAD 模型: | View CAD Model |
| Pkg. Type: | CABGA |
| Pkg. Code: | BF208 |
| Lead Count (#): | 208 |
| Pkg. Dimensions (mm): | 15.0 x 15.0 x 1.4 |
| Pitch (mm): | 0.8 |
| Pb (Lead) Free | No |
| Moisture Sensitivity Level (MSL) | 4 |
| ECCN (US) | |
| HTS (US) |
| Lead Count (#) | 208 |
| Pb (Lead) Free | No |
| Carrier Type | Tray |
| Access Time (ns) | 10 |
| Architecture | Dual-Port |
| Bus Width (bits) | 18 |
| Core Voltage (V) | 2.5 |
| Density (Kb) | 4608 |
| Function | Busy, Interrupt, JTAG, Master, Semaphore, Slave, Sleep Mode |
| I/O Type | 2.5 V LVTTL, 3.3 V LVTTL |
| Interface | Async |
| Length (mm) | 15 |
| MOQ | 21 |
| Moisture Sensitivity Level (MSL) | 4 |
| Organization | 256K x 18 |
| Package Area (mm²) | 225 |
| Pb Free Category | e0 |
| Pitch (mm) | 0.8 |
| Pkg. Dimensions (mm) | 15.0 x 15.0 x 1.4 |
| Pkg. Type | CABGA |
| Price (USD) | $207.59905 |
| Qty. per Carrier (#) | 126 |
| Qty. per Reel (#) | 0 |
| Requires Terms and Conditions | Does not require acceptance of Terms and Conditions |
| Tape & Reel | No |
| Temp. Range (°C) | 0 to 70°C |
| Thickness (mm) | 1.4 |
| Width (mm) | 15 |
| 已发布 | No |
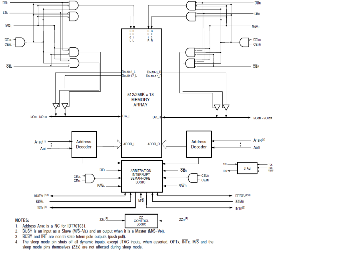
The 70T631 is a high-speed 256K x 18 Asynchronous Dual-Port Static RAM designed to be used as a stand-alone Dual-Port RAM or as a combination MASTER/ SLAVE Dual-Port RAM for 36-bit-or-more word system which would result in full-speed, error-free operation without the need for additional discrete logic. An automatic power down feature controlled by the chip enables (either CE0 or CE1) permit the on-chip circuitry of each port to enter a very low standby power mode.