跳转到主要内容

特性

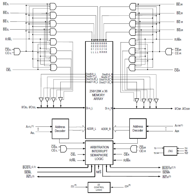
  • Dual-Port allows simultaneous access of the same memory location
  • RapidWrite Mode simplifies high-speed consecutive write cycles
  • Dual chip enables allow for depth expansion without external logic
  • Easily expands data bus width to 72 bits or more using the Master/Slave select when cascading more than one device
  • Busy and Interrupt Flags
  • On-chip port arbitration logic
  • Full on-chip hardware support of semaphore signaling between ports
  • Fully asynchronous operation from either port
  • Separate byte controls for multiplexed bus and bus matching compatibility
  • Sleep Mode Inputs on both ports
  • Includes JTAG functionality
  • Single 2.5V (±100mV) power supply for core
  • LVTTL-compatible, selectable 3.3V (±150mV)/2.5V (±100mV) power supply for I/Os and control signals on each port
  • Available in a 256-ball BGA, 208-pin PQFP and 208-ball fpBGA.
  • Industrial temperature range (–40C to +85C) is available

描述

The 70T651 is a high-speed 256K x 36 Asynchronous Dual-Port Static RAM designed to be used as a stand-alone Dual-Port RAM or as a combination MASTER/ SLAVE Dual-Port RAM for 72-bit-or-more word system which would result in full-speed, error-free operation without the need for additional discrete logic. An automatic power down feature controlled by the chip enables (either CE0 or CE1) permit the on-chip circuitry of each port to enter a very low standby power mode.

产品参数

属性
Core Voltage (V) 2.5
Bus Width (bits) 36
Density (Kb) 9216
Pkg. Code BC256, BF208
Interface Async
I/O Type 2.5 V LVTTL, 3.3 V LVTTL
Access Time (ns) 10, 12
Temp. Range (°C) -40 to 85°C
Architecture Dual-Port
Organization 256K x 36
Function Busy, Interrupt, JTAG, Master, Semaphore, Slave, Sleep Mode

封装选项

Pkg. Type Pkg. Dimensions (mm) Lead Count (#) Pitch (mm)
CABGA 15.0 x 15.0 x 1.4 208 0.8
CABGA 17.0 x 17.0 x 1.4 256 1

当前筛选条件