| CAD 模型: | View CAD Model |
| Pkg. Type: | CABGA |
| Pkg. Code: | BC256 |
| Lead Count (#): | 256 |
| Pkg. Dimensions (mm): | 17.0 x 17.0 x 1.4 |
| Pitch (mm): | 1 |
| Pb (Lead) Free | No |
| Moisture Sensitivity Level (MSL) | 3 |
| ECCN (US) | |
| HTS (US) |
| Lead Count (#) | 256 |
| Pb (Lead) Free | No |
| Carrier Type | Tray |
| Moisture Sensitivity Level (MSL) | 3 |
| Access Time (ns) | 15 |
| Architecture | Dual-Port |
| Bus Width (bits) | 36 |
| Core Voltage (V) | 2.5 |
| Density (Kb) | 18432 |
| Function | Interrupt |
| I/O Type | 2.5 V LVTTL, 3.3 V LVTTL |
| Interface | Async |
| Length (mm) | 17 |
| MOQ | 18 |
| Organization | 512K x 36 |
| Package Area (mm²) | 289 |
| Pb Free Category | e0 |
| Pitch (mm) | 1 |
| Pkg. Dimensions (mm) | 17.0 x 17.0 x 1.4 |
| Pkg. Type | CABGA |
| Price (USD) | $322.33778 |
| Qty. per Carrier (#) | 90 |
| Qty. per Reel (#) | 0 |
| Requires Terms and Conditions | Does not require acceptance of Terms and Conditions |
| Tape & Reel | No |
| Temp. Range (°C) | 0 to 70°C |
| Thickness (mm) | 1.4 |
| Width (mm) | 17 |
| 已发布 | No |
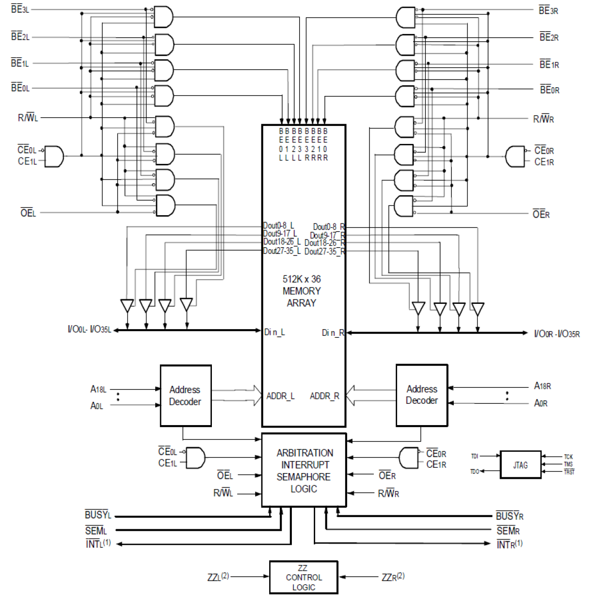
The 70T653M is a high-speed 256K x 36 asynchronous dual-port static RAM designed to be used as a stand-alone 18874K-bit dual-port RAM. An automatic power-down feature controlled by the Chip Enables (either CE0 or CE1) permits the on-chip circuitry of each port to enter a very low standby power mode.