跳转到主要内容
瑞萨电子 (Renesas Electronics Corporation)

特性

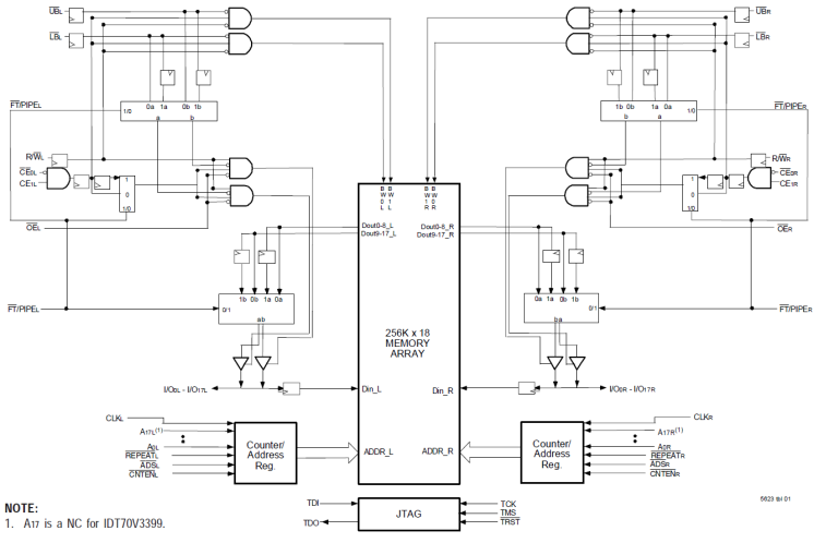
  • Dual-Port allows simultaneous access of the same memory location
  • Selectable Pipelined or Flow-Through output mode
  • Counter enable and repeat features
  • Dual chip enables allow for depth expansion without additional logic
  • Full synchronous operation on both ports
  • Separate byte controls for multiplexed bus and bus matching compatibility
  • Dual Cycle Deselect (DCD) for Pipelined Output Mode
  • LVTTL- compatible, single 3.3V (±150mV) power supply for core
  • LVTTL compatible, selectable 3.3V (±150mV) or 2.5V (±100mV) power supply for I/Os and control signals on each port
  • Available in a 256-pin BGA, 208-pin fpBGA and 128-pin TQFP packages
  • Includes JTAG functionality on BGA packages only
  • Industrial temperature range (-40C to +85C) is available

描述

The 70V3319 is a high-speed 256K x 18 bit synchronous Dual-Port RAM that has been optimized for applications having unidirectional or bidirectional data flow in bursts. An automatic power down feature, controlled by CE0 and CE1, permits the on-chip circuitry of each port to enter a very low standby power mode. The 70V3319 can support an operating voltage of either 3.3V or 2.5V on one or both ports, controllable by the OPT pins. The power supply for the core of the device (VDD) is at 3.3V.

产品参数

属性
Core Voltage (V)3.3
Bus Width (bits)18
Density (Kb)4608
Pkg. CodeBC256, BCG256, PKG128
InterfaceSync
I/O Type3.3 V LVTTL, 2.5 V LVTTL
I/O Frequency (MHz)133 - 133, 166 - 166
Temp. Range (°C)-40 to 85°C, 0 to 70°C
ArchitectureDual-Port
Organization256K x 18
FunctionCounters, Dual Clocks, JTAG
Output TypeFlowthrough, Pipelined

封装选项

Pkg. TypePkg. Dimensions (mm)Lead Count (#)Pitch (mm)
CABGA17.0 x 17.0 x 1.42561
TQFP20.0 x 14.0 x 1.41280.5

当前筛选条件