跳转到主要内容
8K x 18 3.3V Dual-Port RAM

封装信息

CAD 模型:View CAD Model
Pkg. Type:TQFP
Pkg. Code:PNG100
Lead Count (#):100
Pkg. Dimensions (mm):14.0 x 14.0 x 1.4
Pitch (mm):0.5

环境和出口类别

Pb (Lead) FreeYes
Moisture Sensitivity Level (MSL)3
ECCN (US)
HTS (US)

产品属性

Lead Count (#)100
Pb (Lead) FreeYes
Carrier TypeTray
Access Time (ns)20
ArchitectureDual-Port
Bus Width (bits)18
Core Voltage (V)3.3
Density (Kb)144
FunctionBusy, Interrupt, Master, Semaphore, Slave
I/O Type3.3 V LVTTL
InterfaceAsync
Length (mm)14
MOQ96
Moisture Sensitivity Level (MSL)3
Organization8K x 18
Package Area (mm²)196
Pb Free Categorye3 Sn
Pitch (mm)0.5
Pkg. Dimensions (mm)14.0 x 14.0 x 1.4
Pkg. TypeTQFP
Price (USD)$44.66313
Qty. per Carrier (#)90
Qty. per Reel (#)0
Requires Terms and ConditionsDoes not require acceptance of Terms and Conditions
Tape & ReelNo
Temp. Range (°C)-40 to 85°C
Thickness (mm)1.4
Width (mm)14
已发布No

描述

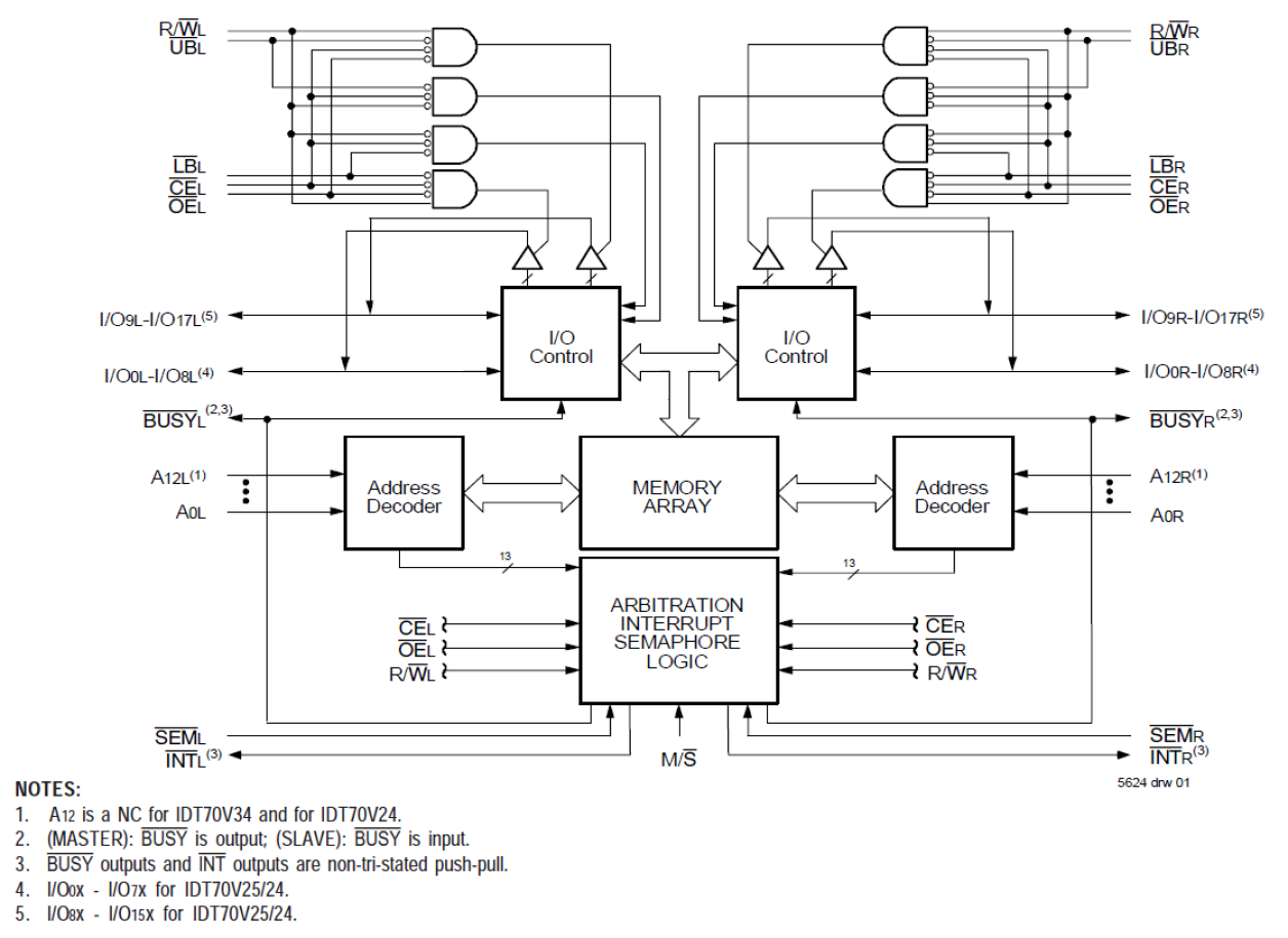
The 70V35 is a high-speed 8K x 18 Dual-Port Static RAM designed to be used as a stand-alone Dual-Port RAM or as a combination MASTER/SLAVE Dual-Port RAM for 36-bit or wider memory system applications results in full-speed, error-free operation without the need for additional discrete logic. An automatic power down feature controlled by CE permits the on-chip circuitry of each port to enter a very low standby power mode.