跳转到主要内容
瑞萨电子 (Renesas Electronics Corporation)

特性

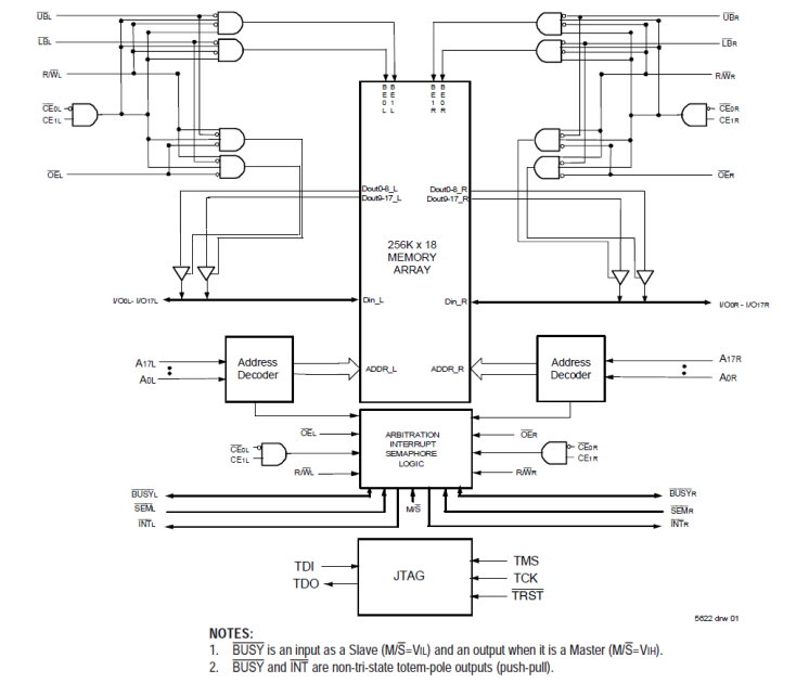
  • Dual-port allows simultaneous access of the same memory location
  • Dual chip enables allow for depth expansion without external logic
  • Easily expands data bus width to 36 bits or more using the  select when cascading more than one device
  • Busy and Interrupt flags
  • On-chip port arbitration logic
  • Full on-chip hardware support of semaphore signaling between ports; fully asynchronous operation from either port
  • Separate byte controls for multiplexed bus and bus-matching compatibility
  • Includes JTAG functionality on BGA package versions only
  • LVTTL-compatible, single 3.3V (±150mV) power supply for core
  • LVTTL-compatible, selectable 3.3V (±150mV)/2.5V (±100mV) power supply for I/Os and control signals on each port
  • Available in a 128-pin TQFP, 208-ball fpBGA, and 256-ball BGA
  • Industrial temperature range (–40 °C to +85 °C) is available

描述

The 70V631 is a high-speed 256K x 18 asynchronous dual-port static RAM designed to be used as a stand-alone dual-port RAM or as a combination Master/Slave dual-port RAM for 36-bit or more word systems. Using the Master/Slave dual-port RAM approach in 36-bit or wider memory system applications results in full-speed, error-free operation without the need for additional discrete logic. An automatic power-down feature controlled by the chip enables (either CE0 or CE1) permits the on-chip circuitry of each port to enter a very low standby power mode.

产品参数

属性
Core Voltage (V)3.3
Bus Width (bits)18
Density (Kb)4608
Pkg. CodeBFG208, PKG128
InterfaceAsync
I/O Type3.3 V LVTTL
Access Time (ns)12
Temp. Range (°C)-40 to 85°C
ArchitectureDual-Port
Organization256K x 18
FunctionBusy, Interrupt, JTAG, Master, Slave

封装选项

Pkg. TypePkg. Dimensions (mm)Lead Count (#)Pitch (mm)
CABGA15.0 x 15.0 x 1.42080.8
TQFP20.0 x 14.0 x 1.41280.5

当前筛选条件