跳转到主要内容
瑞萨电子 (Renesas Electronics Corporation)

特性

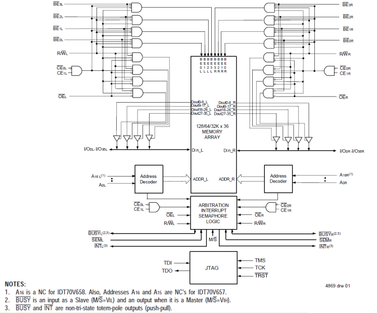
  • Dual-Port allows simultaneous access of the same memory location
  • Dual chip enables allow for depth expansion without external logic
  • Easily expands data bus width to 72 bits or more using the Master/Slave select when cascading more than one device
  • Busy and Interrupt Flags
  • On-chip port arbitration logic
  • Full on-chip hardware support of semaphore signaling between ports Fully asynchronous operation from either port
  • Separate byte controls for multiplexed bus and bus matching compatibility
  • Includes JTAG functionality on BGA package versions only
  • LVTTL-compatible, single 3.3V (±150mV) power supply for core
  • LVTTL-compatible, selectable 3.3V (±150mV)/2.5V (±100mV) power supply for I/Os and control signals on each port
  • Available in a 208-pin PQFP, 208-ball fpBGA and 256-ball BGA
  • Industrial temperature range (–40C to +85C) is available

描述

The 70V657 is a high-speed 32K x 36 Asynchronous Dual-Port Static RAM designed to be used as a stand-alone Dual-Port RAM or as a combination MASTER/ SLAVE Dual-Port RAM for 72-bit-or-more word system. Using the IDT MASTER/SLAVE Dual-Port RAM approach in 72-bit or wider memory system applications results in full-speed, error-free operation without the need for additional discrete logic. An automatic power down feature controlled by the chip enables (either CE0 or CE1) permit the on-chip circuitry of each port to enter a very low standby power mode.

产品参数

属性
Core Voltage (V)3.3
Bus Width (bits)36
Density (Kb)1152
Pkg. CodeBC256, BCG256, BF208, BFG208
InterfaceAsync
I/O Type3.3 V LVTTL
Access Time (ns)10, 12
Temp. Range (°C)-40 to 85°C, 0 to 70°C
ArchitectureDual-Port
Organization32K x 36
FunctionInterrupt

封装选项

Pkg. TypePkg. Dimensions (mm)Lead Count (#)Pitch (mm)
CABGA15.0 x 15.0 x 1.42080.8
CABGA17.0 x 17.0 x 1.42561

当前筛选条件