跳转到主要内容
瑞萨电子 (Renesas Electronics Corporation)

特性

  • Bank access controlled via bank address pins
  • Selectable Pipelined or Flow-Through output mode
  • Counter enable and repeat features
  • Dual chip enables allow for depth expansion without additional logic
  • Full synchronous operation on both ports
  • Separate byte controls for multiplexed bus and bus-matching compatibility
  • LVTTL- compatible, 3.3V (±150mV) power supply for core
  • LVTTL compatible, selectable 3.3V (±150mV) or 2.5V (±100mV) power supply for I/Os and control signals on each port
  • Available in 208-pin fpBGA and 256-pin BGA packages
  • Includes JTAG functionality
  • Industrial temperature range (-40 °C to +85 °C) is available

描述

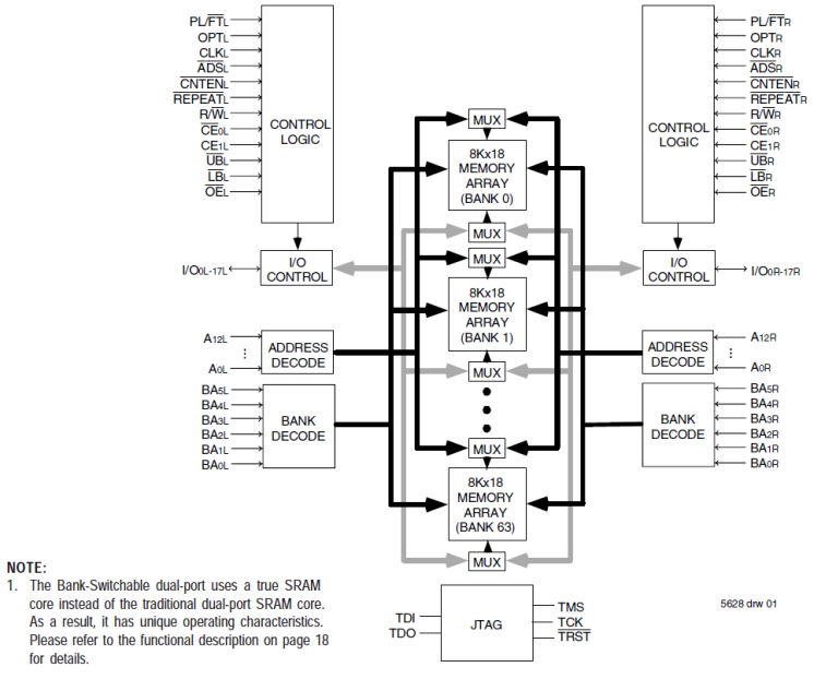
The 70V7339 high-speed 512K x 18 (9Mbit) synchronous bank-switchable dual-ported SRAM is organized into 64 independent 8K x 18 banks and has two independent ports with separate control, address, and I/O pins for each port, allowing each port to access any 8K x 18 memory block not already accessed by the other port. An automatic power-down feature, controlled by CE0 and CE1, permits the on-chip circuitry of each port to enter a very low standby power mode.

当前筛选条件