| CAD 模型: | View CAD Model |
| Pkg. Type: | SOJ |
| Pkg. Code: | PJG28 |
| Lead Count (#): | 28 |
| Pkg. Dimensions (mm): | 17.9 x 7.6 x 2.67 |
| Pitch (mm): | 1.27 |
| Pb (Lead) Free | Yes |
| ECCN (US) | 3A991.b.2.b |
| HTS (US) | 8542.32.0041 |
| Moisture Sensitivity Level (MSL) | 3 |
| Lead Count (#) | 28 |
| Pb (Lead) Free | Yes |
| Carrier Type | Tube |
| Access Time (ns) | 15 |
| Architecture | Asynchronous |
| Bus Width (bits) | 8 |
| Core Voltage (V) | 5V |
| Density (Kb) | 256 |
| I/O Voltage (V) | 5 - 5 |
| Length (mm) | 17.9 |
| MOQ | 405 |
| Moisture Sensitivity Level (MSL) | 3 |
| Organization | 32K x 8 |
| Package Area (mm²) | 136 |
| Pb Free Category | e3 Sn |
| Pitch (mm) | 1.27 |
| Pkg. Dimensions (mm) | 17.9 x 7.6 x 2.67 |
| Pkg. Type | SOJ |
| Qty. per Carrier (#) | 27 |
| Qty. per Reel (#) | 0 |
| Requires Terms and Conditions | Does not require acceptance of Terms and Conditions |
| Tape & Reel | No |
| Temp. Range (°C) | 0 to 70°C |
| Thickness (mm) | 2.67 |
| Width (mm) | 7.6 |
| 已发布 | No |
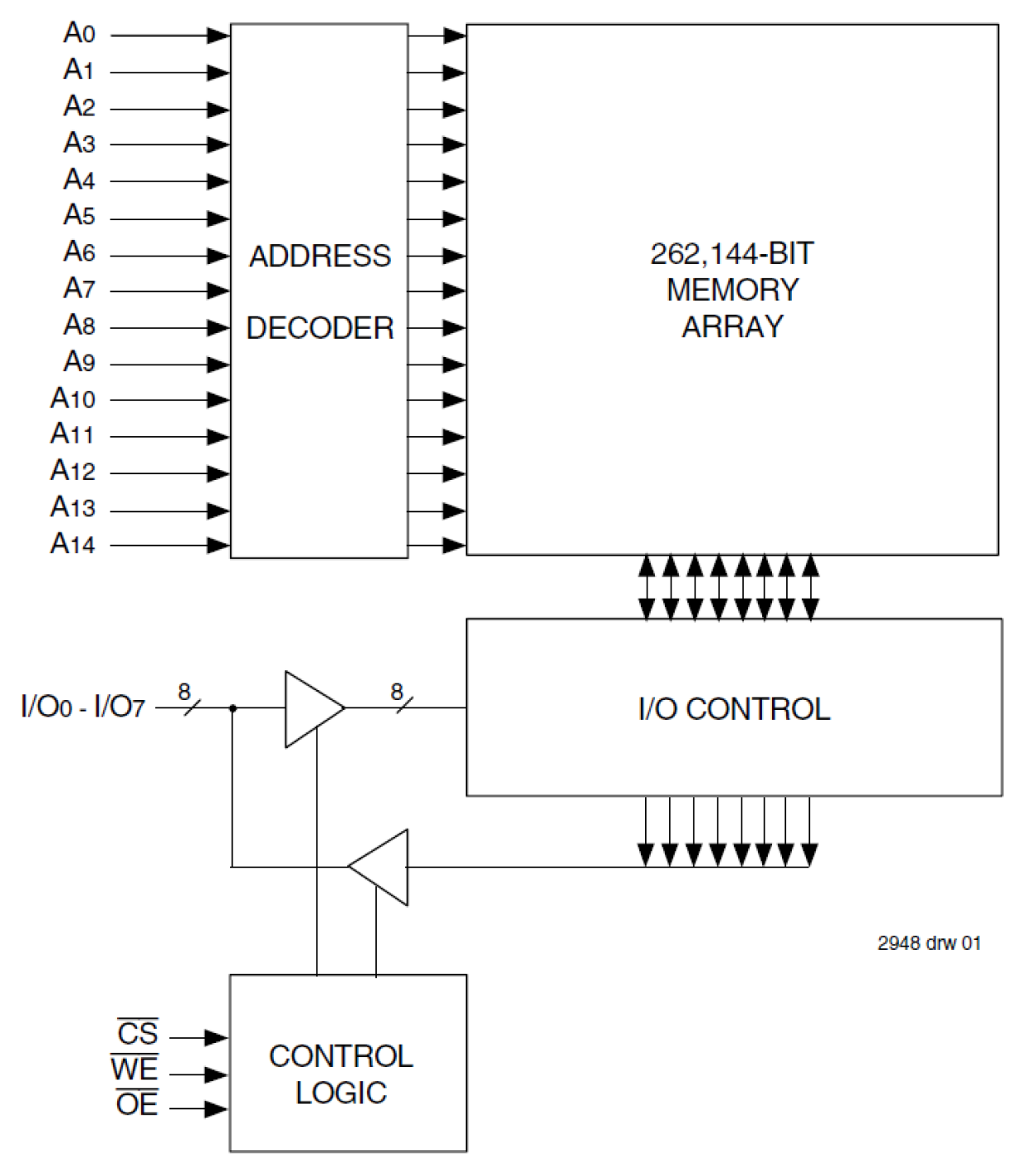
The 71256SA 5V CMOS SRAM is organized as 32K x 8. All bidirectional inputs and outputs of the 71256SA are TTL-compatible and operation is from a single 5V supply. Fully static asynchronous circuitry is used, requiring no clocks or refresh for operation.