跳转到主要内容
5.0V 8K x 8 Asynchronous Static RAM

封装信息

CAD 模型: View CAD Model
Pkg. Type: SOJ
Pkg. Code: PJG28
Lead Count (#): 28
Pkg. Dimensions (mm): 17.9 x 7.6 x 2.67
Pitch (mm): 1.27

环境和出口类别

Pb (Lead) Free Yes
Moisture Sensitivity Level (MSL) 3
ECCN (US) EAR99
HTS (US) 8542.32.0041

产品属性

Lead Count (#) 28
Pb (Lead) Free Yes
Carrier Type Reel
Moisture Sensitivity Level (MSL) 3
Access Time (ns) 25
Architecture Asynchronous
Bus Width (bits) 8
Core Voltage (V) 5V
Density (Kb) 64
I/O Voltage (V) 5 - 5
Length (mm) 17.9
MOQ 1000
Organization 8K x 8
Package Area (mm²) 136
Pb Free Category e3 Sn
Pitch (mm) 1.27
Pkg. Dimensions (mm) 17.9 x 7.6 x 2.67
Pkg. Type SOJ
Qty. per Carrier (#) 0
Qty. per Reel (#) 1000
Reel Size (in) 13
Requires Terms and Conditions Does not require acceptance of Terms and Conditions
Tape & Reel Yes
Temp. Range (°C) -40 to 85°C
Thickness (mm) 2.67
Width (mm) 7.6
已发布 No

描述

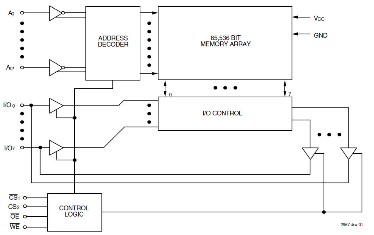
The 7164 5V CMOS SRAM is organized as 8K x 8. The 7164 offers a reduced power standby mode. The low-power (L) version also offers a battery backup data retention capability at power supply levels as low as 2V. All inputs and outputs of the IDT7164 are TTL-compatible and operation is from a single 5V supply, simplifying system designs. Fully static asynchronous circuitry is used, requiring no clocks or refreshing for operation. Military grade product is available.