特性
- Supports high performance system speed - 166 MHz (3.5ns Clock-to-Data Access)
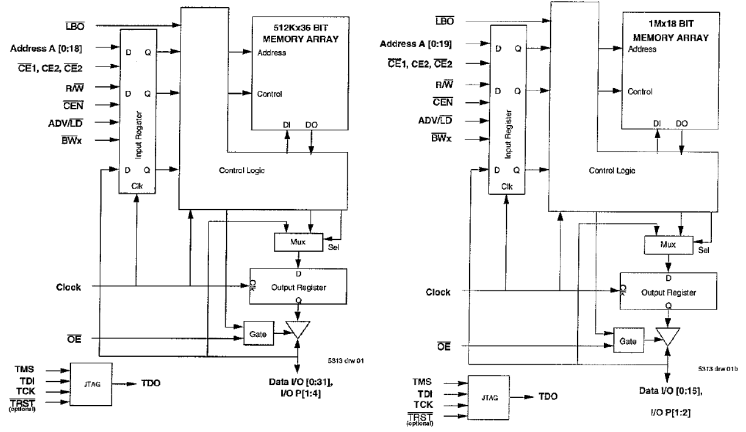
- ZBTTM Feature - No dead cycles between write and read cycles
- Internally synchronized output buffer enable eliminates the need to control OE
- Single R/W (READ/WRITE) control pin
- Positive clock-edge triggered address, data, and control signal registers for fully pipelined applications
- 4-word burst capability (interleaved or linear)
- Individual byte write (BW1 - BW4) control (May tie active)
- Three chip enables for simple depth expansion
- 2.5V power supply (±5%)
- 2.5V I/O Supply (VDDQ)
- Power down controlled by ZZ input
- Boundary Scan JTAG Interface (IEEE 1149.1 Compliant)
- Packaged in a JEDEC standard 100-pin plastic thin quad flatpack (TQFP) and 119 ball grid array (BGA)
描述
The 71T75602 2.5V CMOS Synchronous SRAM organized as 512K x 36 (18 Megabit). It is designed to eliminate dead bus cycles when turning the bus around between reads and writes, or writes and reads. Thus, it has been given the name ZBTTM, or Zero Bus Turnaround. The 71T75602 contains data I/O, address and control signal registers.
产品参数
| 属性 | 值 |
|---|---|
| Density (Kb) | 18432 |
| Bus Width (bits) | 36 |
| Core Voltage (V) | 2.5 |
| Pkg. Code | PKG100 |
| Organization | 512K x 36 |
| I/O Voltage (V) | 2.5 - 2.5 |
| I/O Frequency (MHz) | 133 - 133, 166 - 166 |
| Temp. Range (°C) | -40 to 85°C, 0 to 70°C |
| Architecture | ZBT |
| Output Type | Pipelined |
封装选项
| Pkg. Type | Pkg. Dimensions (mm) | Lead Count (#) | Pitch (mm) |
|---|---|---|---|
| TQFP | 20.0 x 14.0 x 1.4 | 100 | 0.65 |
当前筛选条件
加载中