跳转到主要内容
瑞萨电子 (Renesas Electronics Corporation)

特性

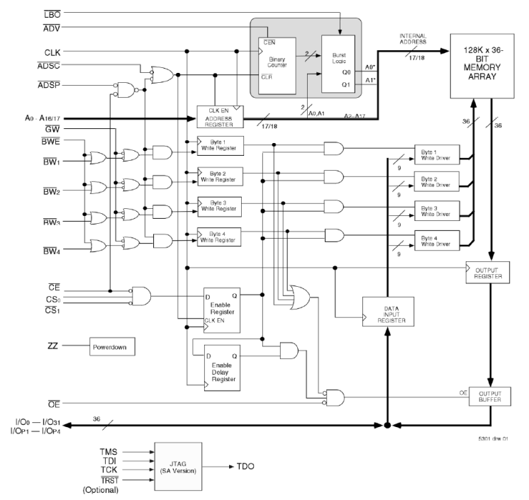
  • High system speed 200MHz (3.1ns clock access time)
  • LBO input selects interleaved or linear burst mode
  • Self-timed write cycle with global write control (GW), byte write
  • enable (BWE), and byte writes (BWx)
  • 3.3V core power supply
  • Power down controlled by ZZ input
  • 3.3V I/O
  • Optional - Boundary Scan JTAG Interface (IEEE 1149.1
  • compliant)
  • Available in 100-pin TQFP, 119-pin BGA and 165 fpBGA packages

描述

The 71V35761 3.3V CMOS SRAM is organized as 128K x 36. It contains write, data, address and control registers. The burst mode feature offers the highest level of performance to the system designer, as the 71V35761 can provide four cycles of data for a single address presented to the SRAM.

产品参数

属性
Density (Kb)4608
Bus Width (bits)36
Core Voltage (V)3.3
Pkg. CodeBGG119, BQG165, PKG100
Organization128K x 36
I/O Voltage (V)3.3 - 3.3
I/O Frequency (MHz)166 - 166
Temp. Range (°C)-40 to 85°C, 0 to 70°C
ArchitectureSynch Burst
Output TypePipelined

封装选项

Pkg. TypePkg. Dimensions (mm)Lead Count (#)Pitch (mm)
CABGA15.0 x 13.0 x 1.21651
PBGA14.0 x 22.0 x 2.151191.27
TQFP20.0 x 14.0 x 1.41000.65

当前筛选条件