| CAD 模型: | View CAD Model |
| Pkg. Type: | TQFP |
| Pkg. Code: | PKG100 |
| Lead Count (#): | 100 |
| Pkg. Dimensions (mm): | 20.0 x 14.0 x 1.4 |
| Pitch (mm): | 0.65 |
| Pb (Lead) Free | Yes |
| Moisture Sensitivity Level (MSL) | 3 |
| ECCN (US) | 3A991.b.2.a |
| HTS (US) | 8542.32.0041 |
| Lead Count (#) | 100 |
| Pb (Lead) Free | Yes |
| Carrier Type | Reel |
| Moisture Sensitivity Level (MSL) | 3 |
| Architecture | Synch Burst |
| Bus Width (bits) | 36 |
| Core Voltage (V) | 3.3 |
| Density (Kb) | 9216 |
| I/O Frequency (MHz) | 166 - 166 |
| I/O Voltage (V) | 3.3 - 3.3 |
| Length (mm) | 20 |
| MOQ | 1000 |
| Organization | 256K x 36 |
| Output Type | Pipelined |
| Package Area (mm²) | 280 |
| Pb Free Category | e3 Sn |
| Pitch (mm) | 0.65 |
| Pkg. Dimensions (mm) | 20.0 x 14.0 x 1.4 |
| Pkg. Type | TQFP |
| Price (USD) | $20.25651 |
| Qty. per Carrier (#) | 0 |
| Qty. per Reel (#) | 1000 |
| Reel Size (in) | 13 |
| Requires Terms and Conditions | Does not require acceptance of Terms and Conditions |
| Tape & Reel | Yes |
| Temp. Range (°C) | 0 to 70°C |
| Thickness (mm) | 1.4 |
| Width (mm) | 14 |
| 已发布 | No |
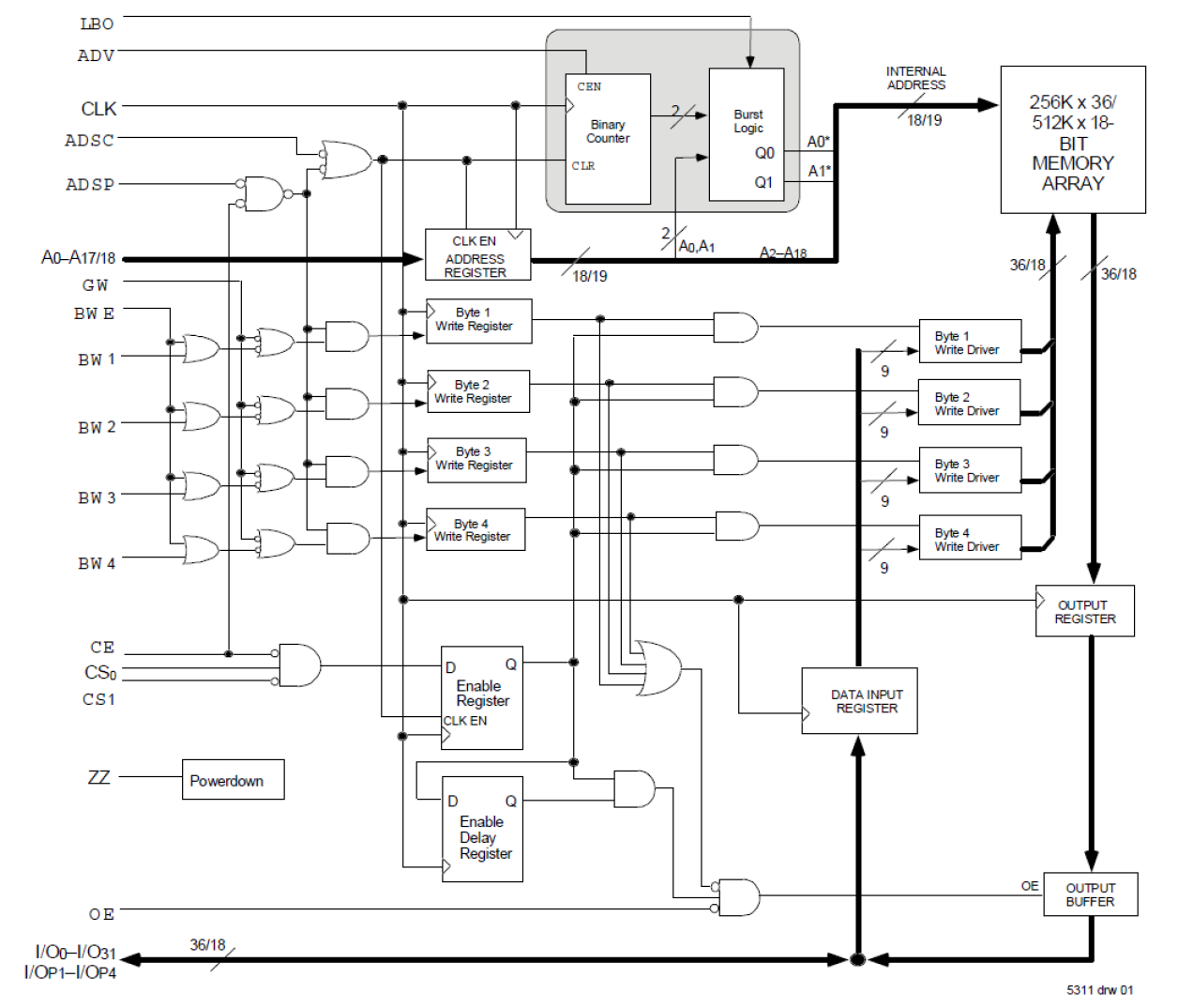
The 71V67602 3.3V CMOS SRAM is organized as 256K x 36. The 71V676 SRAM contains write, data, address and control registers. Internal logic allows the SRAM to generate a self-timed write based upon a decision which can be left until the end of the write cycle. The burst mode feature offers the highest level of performance to the system designer, as it can provide four cycles of data for a single address presented to the SRAM.