跳转到主要内容
瑞萨电子 (Renesas Electronics Corporation)

特性

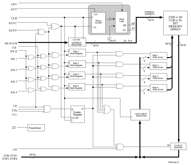
  • Fast access times 7.5ns up to 117MHz clock frequency
  • LBO input selects interleaved or linear burst mode
  • Self-timed write cycle with global write control (GW), byte write
  • enable (BWE), and byte writes (BWx)
  • 3.3V core power supply
  • Power down controlled by ZZ input
  • 3.3V I/O supply (VDDQ)
  • Available in 100-pin TQFP, 119-pin BGA and 165 fpBGA packages

描述

The 71V67703 3.3V CMOS SRAM is organized as 256K x 36. The 71V67703 SRAM contains write, data, address and control registers. There are no registers in the data output path (flow-through architecture). The burst mode feature offers the highest level of performance to the system designer, as it can provide four cycles of data for a single address presented to the SRAM.

产品参数

属性
Density (Kb)9216
Bus Width (bits)36
Core Voltage (V)3.3
Pkg. CodeBQ165, PKG100
Organization256K x 36
I/O Voltage (V)3.3 - 3.3
Temp. Range (°C)-40 to 85°C
ArchitectureSynch Burst
Output TypeFlowthrough

封装选项

Pkg. TypePkg. Dimensions (mm)Lead Count (#)Pitch (mm)
CABGA15.0 x 13.0 x 1.21651
TQFP20.0 x 14.0 x 1.41000.65

当前筛选条件