跳转到主要内容
8K x 36 SyncFIFO, 5.0V

封装信息

CAD 模型: View CAD Model
Pkg. Type: TQFP
Pkg. Code: PK128
Lead Count (#): 128
Pkg. Dimensions (mm): 20.0 x 14.0 x 1.4
Pitch (mm): 0.5

环境和出口类别

Pb (Lead) Free No
Moisture Sensitivity Level (MSL) 3
ECCN (US)
HTS (US)

产品属性

Lead Count (#) 128
Pb (Lead) Free No
Carrier Type Tray
Architecture Uni-directional
Bus Width (bits) 36
Core Voltage (V) 5
Density (Kb) 288
Family Name SyncFIFO
Function Bus Matching
I/O Frequency (MHz) 83 - 83
I/O Type 5.0 V TTL
Interface Synchronous
Length (mm) 20
MOQ 36
Moisture Sensitivity Level (MSL) 3
Organization 8K x 36
Package Area (mm²) 280
Pb Free Category e0
Pitch (mm) 0.5
Pkg. Dimensions (mm) 20.0 x 14.0 x 1.4
Pkg. Type TQFP
Qty. per Carrier (#) 72
Qty. per Reel (#) 0
Requires Terms and Conditions Does not require acceptance of Terms and Conditions
Tape & Reel No
Temp. Range (°C) 0 to 70°C
Thickness (mm) 1.4
Width (mm) 14
已发布 No

描述

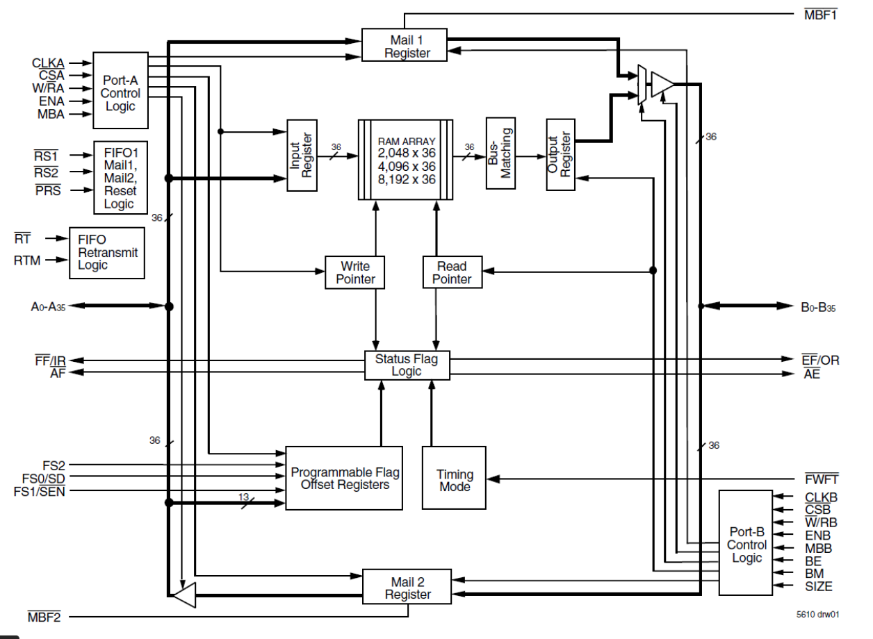
The 723673 is a 8K x 36 unidirectional Sync FIFO memory which supports clock frequencies up to 83 MHz and has read access times as fast as 8ns. The clocks for each port are independent of one another and can be asynchronous or coincident. The enables for each port are arranged to provide a simple bidirectional interface between microprocessors and/or buses with synchronous control. Communication between each port may bypass the FIFO via two mailbox registers. This device can operate in the IDT Standard mode or the First Word Fall Through mode.