特性
- Complies with ITU-T G.8262 for Synchronous Ethernet Equipment Clock (EEC), and G.813 for Synchronous Equipment Clock (SEC), and Telcordia GR-253-CORE for Stratum 3 and SONET Minimum Clock (SMC)
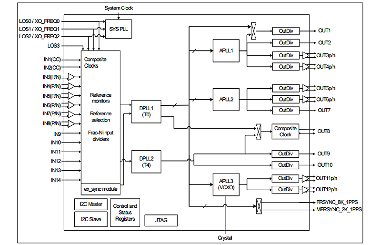
- DPLLs lock to a wide range of reference clock frequencies including: 10/100/1000 Ethernet, 10G Ethernet, OTN, SONET/SDH, PDH, TDM, GSM, CPRI/OBSAI and GNSS frequencies using fractional-N input dividers
- Generates clocks for: Ethernet, SONET/SDH and PDH interfaces: jitter generation <1 ps RMS (12 kHz to 20 MHz)
- Generates clocks for: 10GBASE-R, 10GBASE-W, 40GBASE-R and CPRI/OBSAI interfaces without external jitter attenuators: jitter generation <0.3 ps RMS (10 kHz to 20 MHz)
- Automatic reference selection state machines select the active reference for each DPLL based on the reference monitors, priority tables, revertive and non-revertive settings and other programmable settings
- Prevents output frequency corruption due to a bad PHY reference by accepting Loss of Signal (LOS) inputs from PHYs that immediately disqualify a reference
- DPLL1 can be configured as a DCO (Digitally Controlled Oscillator) to support IEEE 1588 based clock generation under external processor control
- Supports network timing master applications by locking to 1 PPS (Pulse Per Second) references from GPS or other GNSS sources
- Eases local oscillator sourcing by supporting any of eight common TCXO/OCXO frequencies for the System Clock: 10 MHz, 12.8 MHz, 13 MHz, 19.44 MHz, 20 MHz, 24.576 MHz, 25 MHz or 30.72 MHz
- Automatically loads configuration from an external EPROM after reset without processor intervention
- 72 pin QFN package
描述
The 82P33731 Synchronous Equipment Timing Source (SETS) for 10G Synchronous Ethernet (SyncE) provides tools to manage timing references, clock generation and timing paths for SyncE based clocks, per ITU-T G.8264 and ITU-T G.8262. 82P33731 meets the requirements of ITU-T G.8262 for synchronous Ethernet Equipment Clocks (EECs) and ITU-T G.813 for Synchronous Equipment Clocks (SEC). The device outputs low-jitter clocks that can directly synchronize 40GBASE-R, 10GBASE-R and 10GBASE-W and lower-rate Ethernet interfaces; as well as CPRI/OBSAI, SONET/SDH and PDH interfaces. For 1G SyncE applications, see the 82P33714.
IDT’s third generation Universal Frequency Translator family also includes the 8T49N285 (2-in / 1-PLL / 8-out), 8T49N286 (4-in / 2-PLL / 8-out), 8T49N287 (2-in / 2-PLL / 8-out), and the 8T49N242 (2-in / 1-PLL / 4-out).
► Download the Altera and IDT Synchronous Ethernet Solution for ITU-T G.8262 white paper
产品参数
属性 | 值 |
---|---|
Clock Support | G.813, G.8262, GR-1244-CORE, GR-253-CORE |
Channels (#) | 2 |
Inputs (#) | 14 |
Diff. Inputs | 6 |
Input Freq (MHz) | 0.000001 - 650 |
Output Freq Range (MHz) | 0.000001 - 650 |
Phase Jitter Typ RMS (ps) | 0.23 |
Diff. Outputs | 6 |
封装选项
Pkg. Type | Pkg. Dimensions (mm) | Lead Count (#) | Pitch (mm) |
---|---|---|---|
CABGA | 13.0 x 13.0 x 1.53 | 144 | 1 |
当前筛选条件